EasyManua.ls Logo

Infinity INTERMEZZO 1.2s - Page 40

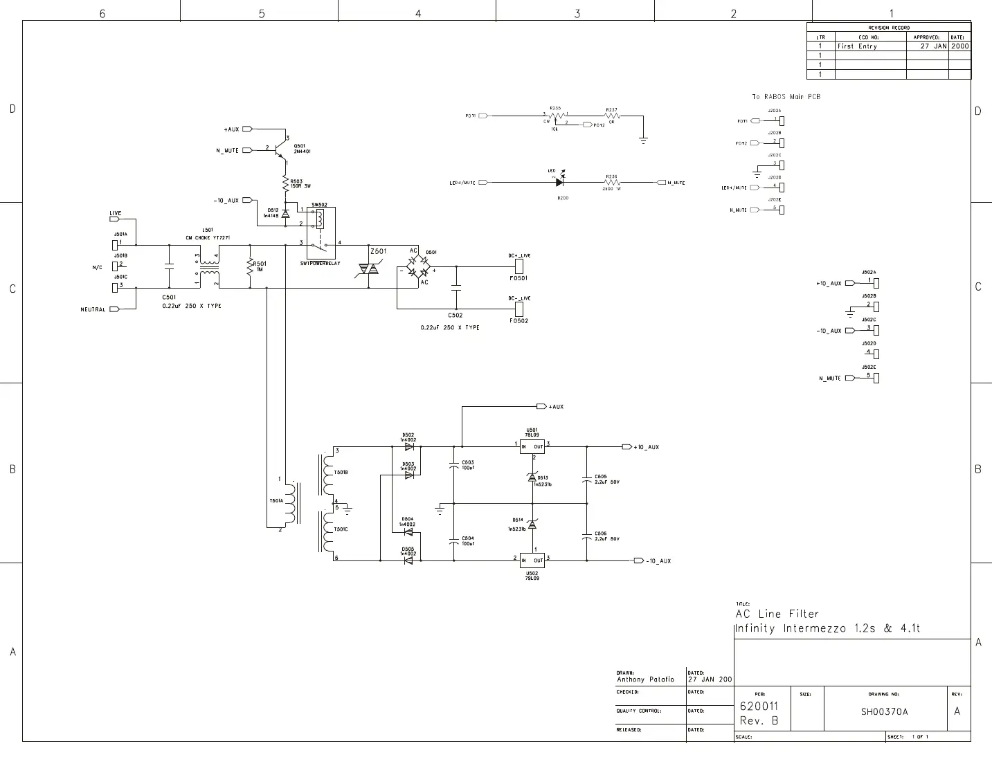
Infinity INTERMEZZO 1.2s
42 pages
Print Icon
To Next Page IconTo Next Page
To Next Page IconTo Next Page
To Previous Page IconTo Previous Page
To Previous Page IconTo Previous Page
Loading...
& RABOS Gain PCB
Intermezzo 1.2s
Schematics
40

Related product manuals