EasyManua.ls Logo

Infinity Kappa 102a - Page 32

Infinity Kappa 102a
39 pages
Print Icon
To Next Page IconTo Next Page
To Next Page IconTo Next Page
To Previous Page IconTo Previous Page
To Previous Page IconTo Previous Page
Loading...
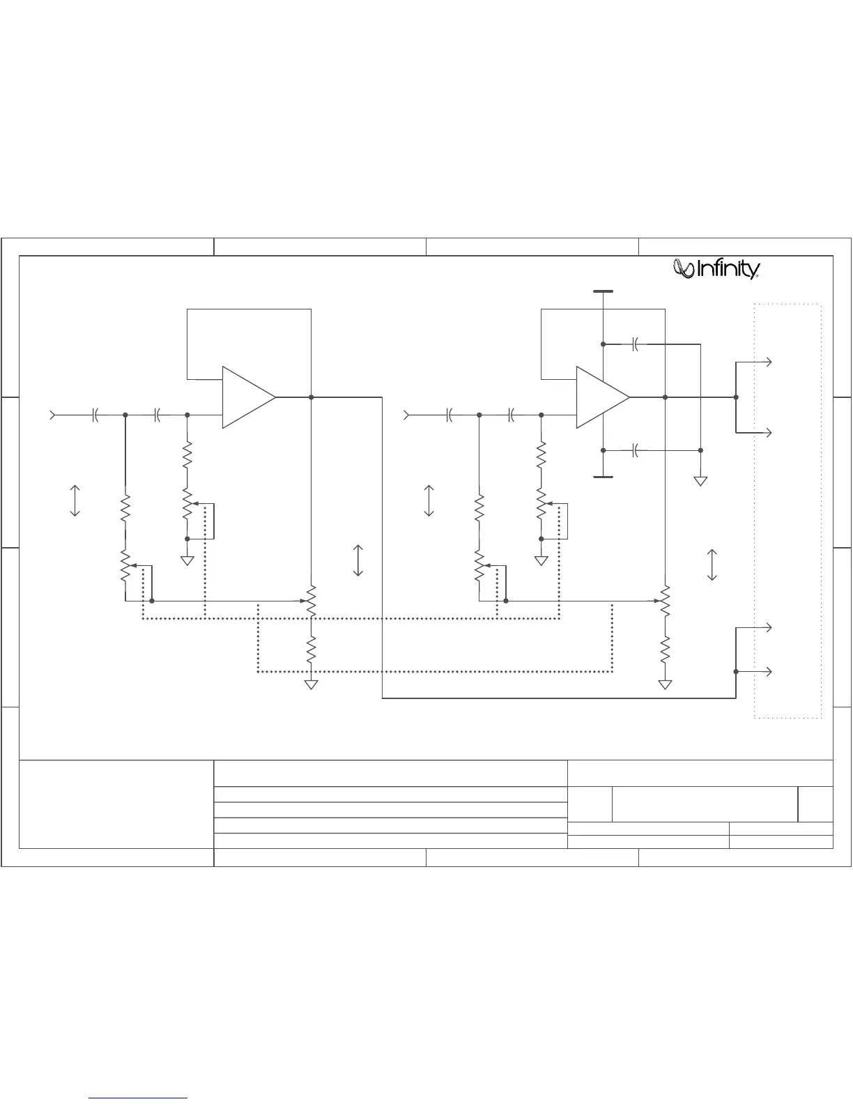
620
R1
TL072
IC1:B
-
6
+
5
7
C2
0.22uF
0.47uF
C1
R2
62K
200K
VR1B
2K
VR1A
VR2A
500
2.7K
R3
0.1uF
C6
0.1uF
C5
IC1:A
TL072
1
8
4
+
3
-
2
620
R4
C4
0.22uF
0.47uF
C3
R5
62K
200K
VR1D
2K
VR1C
VR2B
500
2.7K
R6
NOTES:
ALL CAPACITORS ARE POLYESTER AT 63V. EXCEPT C5&C6 ARE SMD.
R IN
SUM.
FROM
R IN
L IN
SUM.
FROM
L IN
S.ROJAS
CCW
R IN L IN
CCW
20HZ
CW
80HZ
+16V
-16V
20HZ
CW
80HZ
RELEASED BY: M. RODRIGUEZ
CHECKED BY: V. CAMPOS
DESIGNED BY: M. RODRIGUEZ
00
SAFE BASS MODULE
1 2
MODULE
XOVER HP/LP
hcm ORDER ON PRIOR WRITTEN CONSENT.
MANUFACTURING PURPOSES EXCEPT ON
NOT TO BE REPRODUCED OR USED FOR
harman consumer manufacturing, El Paso
THIS DOCUMENT IS PROPERTY OF
harman consumer manufacturing, El Paso.
CCW
CW
+1dB
+8dB
Q
CCW
CW
+1dB
+8dB
Q
MATES WITH PCB P/N PC1197
FREQ.
FREQ.
FOUR GANG
ZD0222
ZD0222-0.S01
03/04/97
CCW CW
CWCCW
CWCCW
CCW CW
CWCCW
CWCCW
AB CD
4
3
2
1
DCBA
1
2
3
4
ofSheet
Drawn by
RevNumber
Title
Size
A
Date
Filename
Kappa 102a
31

Related product manuals