EasyManua.ls Logo

Infinity Kappa 102a - Page 33

Infinity Kappa 102a
39 pages
Print Icon
To Next Page IconTo Next Page
To Next Page IconTo Next Page
To Previous Page IconTo Previous Page
To Previous Page IconTo Previous Page
Loading...
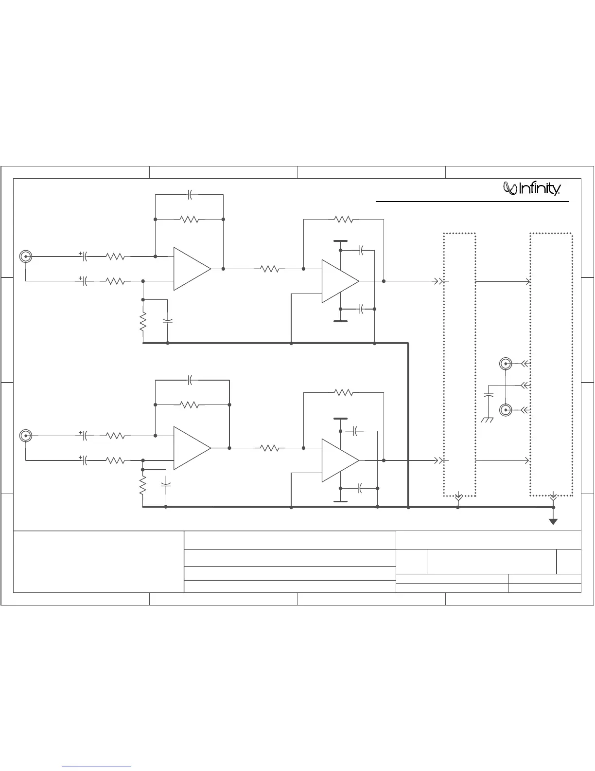
TL072
IC1:A
4
8
-
6
+
5
7
R66
4.99K 1%
TL072
IC1:B
-
2
+
3
1
R67
10K 1%
R64
24.99K 1%
33pF
C32
R62
49.9K 1%
2.2uF
C35
R63
49.9K 1%
2.2uF
C34
R65
24.99K 1%
33pF
C33
C37
2.2uF
49.9K 1%
R57
C38
2.2uF
49.9K 1%
R44
IC2:B
TL072
1
+
3
-
2
4.99K 1%
R60
IC2:A
TL072
7
+
5
-
6
8
4
R61
10K 1%
33pF
C30
R59
24.99K 1%
.1uF
C49
.1uF
C47
.1uF
C48
.1uF
C50
24.99K 1%
R58
C31
33pF
AUX
OUT
OUT
AUX
0.01uF
C36
harman consumer manufacturing, EL PASO.
RELEASED BY: M. RODRIGUEZ
CHECKED BY: V. CAMPOS
ZD0134-0.S02
08/19/96
R. MACIAS
R
L
AGND
PC1147
(ZD0147)
(ZD0149)
PC1146
AGND
MATES WITH PCB P/N PC1152
L
R
-16V
+16V
-16V
+16V
INPUT
INPUT
LO
RO
RIN
LIN
ZD0134
2
DESIGNED BY: M. RODRIGUEZ
This document is property of
harman consumer manufacturing, EL PASO.
not to be reproduced or used for
manufacturing purposes except on
harman ELP. order on prior written consent
5
AGND
SAFE BASS
MODULE
L IN
R IN
HP/LP XOVER
MODULE
+
-
+
-
00
KA102a DIFFERENTIAL AMP.
AB CD
4
3
2
1
DCBA
1
2
3
4
ofSheet
Drawn by
RevNumber
Title
Size
A
Date
Filename
Kappa 102a
32

Related product manuals