EasyManua.ls Logo

Infinity Minuette L-MPS - Wiring the Speaker System

Infinity Minuette L-MPS
11 pages
Print Icon
To Next Page IconTo Next Page
To Next Page IconTo Next Page
To Previous Page IconTo Previous Page
To Previous Page IconTo Previous Page
Loading...
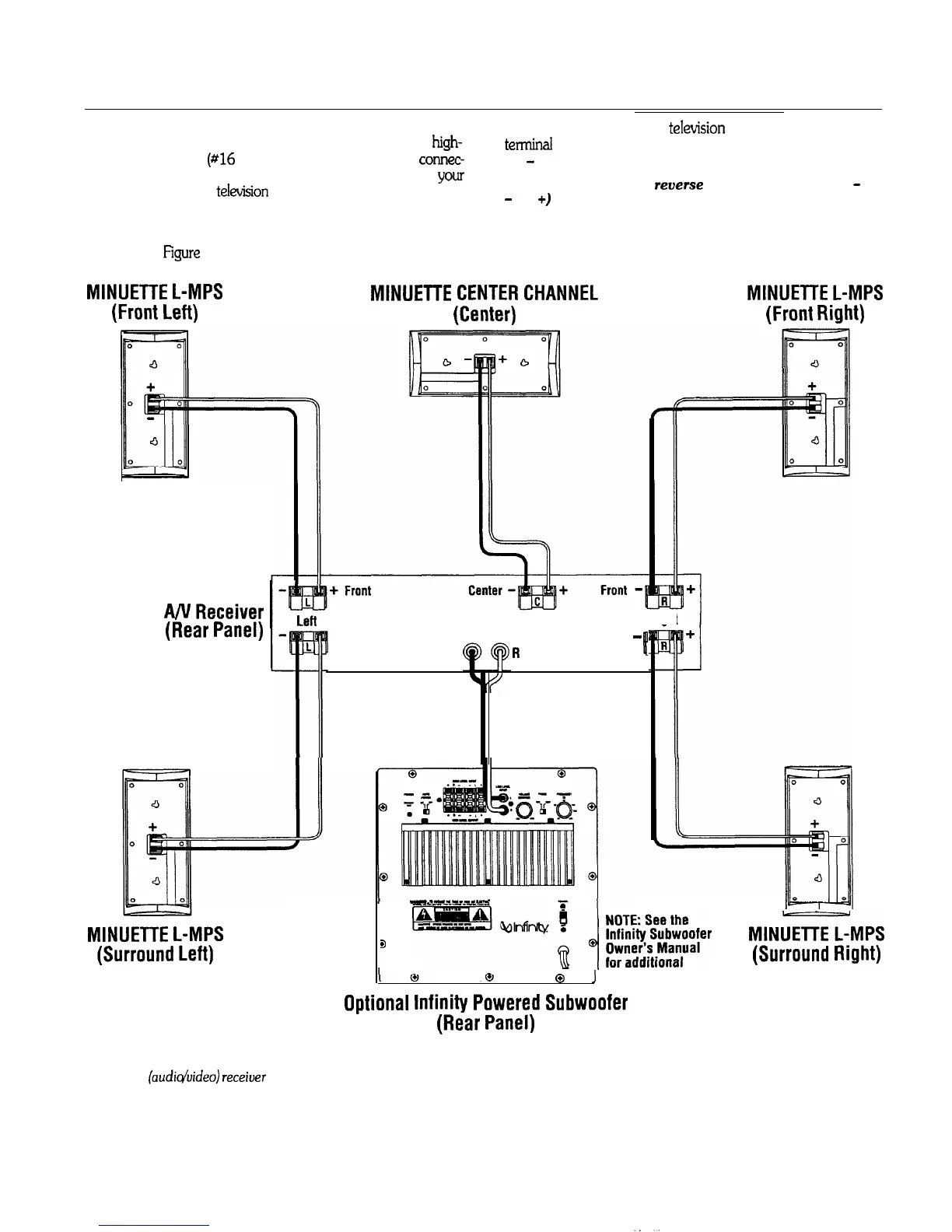
WIRING THE SYSTEM
After placing the Miiuette L-MPS speakers, you are ready to wire
your speakers. First turn off all audio system power. Use
high-
quality speaker wire
(#16
gauge
or
heavier) to make your
connec-
tions. Consult the owner’s manuals that
were
included with
your
amplifier,
receiver,
or telebision to confirrn
connection procedures.
Miiuette L-MPS speakers have spring-loaded terminals for easy
wiring. Observe polarities when making speaker connections,
as shown in Rgure 8. Connect each + terminal on the back of
the amplifier, receiver, or
television
to the respective + (red)
terminal
on each Minuette L-MPS speaker. Similarly, connect
the
-
(black) terminal in the same way.
IMPORTANT! Do not
reuerse
polarities (i.e., + to
-
or
-
to
+)
when making connections. Doing so will cause
poor imaging and diminished bass response.
MINUET-l-E
L-MPS
MINUETTE
CENTER
CHANNEL
(Front
Left)
(Center)
MINUETTE
L-MPS
(Front
Right)
A/V
Receiver
(Rear
Panel)
Left
Riaht
MINUETTE
L-MPS
(Surround
Left)
+ Surround
Preamp Outputs
Surround
-
L R
B
Stereo RCA Cable
-
*-wa1m.-
MINUGMPS
B
(Surround
Right)
@
1
wiring diagrams.
Optional
Infinity
Powered
Subwoofer
(Rear
Panel)
FIGURE 8. An example of bow to interconnect L-MPS speakers
to an A/V
{audiduideo)
receiuer
in a system.
4

Related product manuals