EasyManua.ls Logo

Insinger CADET - Page 9

Insinger CADET
20 pages
Print Icon
To Next Page IconTo Next Page
To Next Page IconTo Next Page
To Previous Page IconTo Previous Page
To Previous Page IconTo Previous Page
Loading...
8
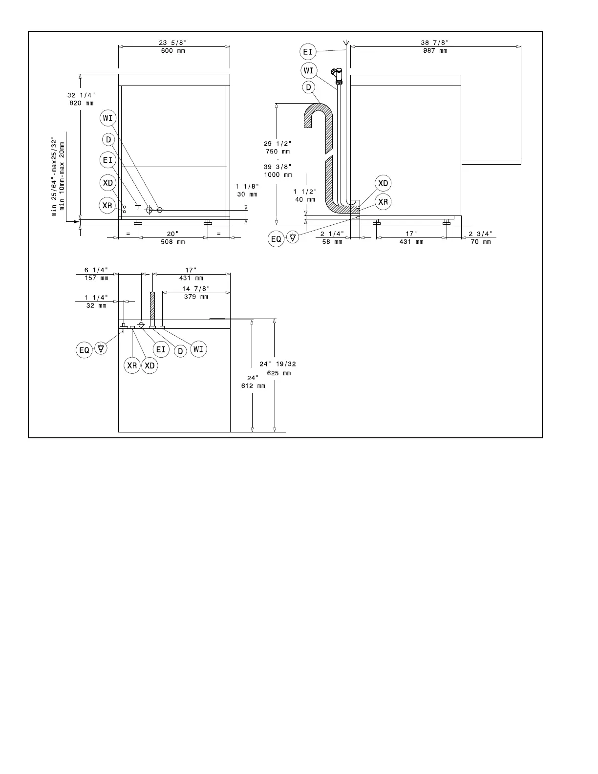
Figure 4
Legend Figure 4
WI - Water inlet pipe with 3/4”dia/19mm fittings
D - Outlet pipe 11/16” ID /18 mm (*).
EI - Power supply
XD - Detergent connection
EQ - Equipotential (Ground) screw
XR - Rinse aid connection
(*) - Only for model with drain pump

Related product manuals