EasyManua.ls Logo

Integra DTR-8.2 - Connecting the remote zone (Zone 2) speakers; Using SURR BACK;ZONE 2 SPEAKERS terminals; Using ZONE 2 OUT terminals; Using SURR BACK;ZONE 2 PRE OUT terminals

Integra DTR-8.2
89 pages
Print Icon
To Next Page IconTo Next Page
To Next Page IconTo Next Page
To Previous Page IconTo Previous Page
To Previous Page IconTo Previous Page
Loading...
DTR-8.2
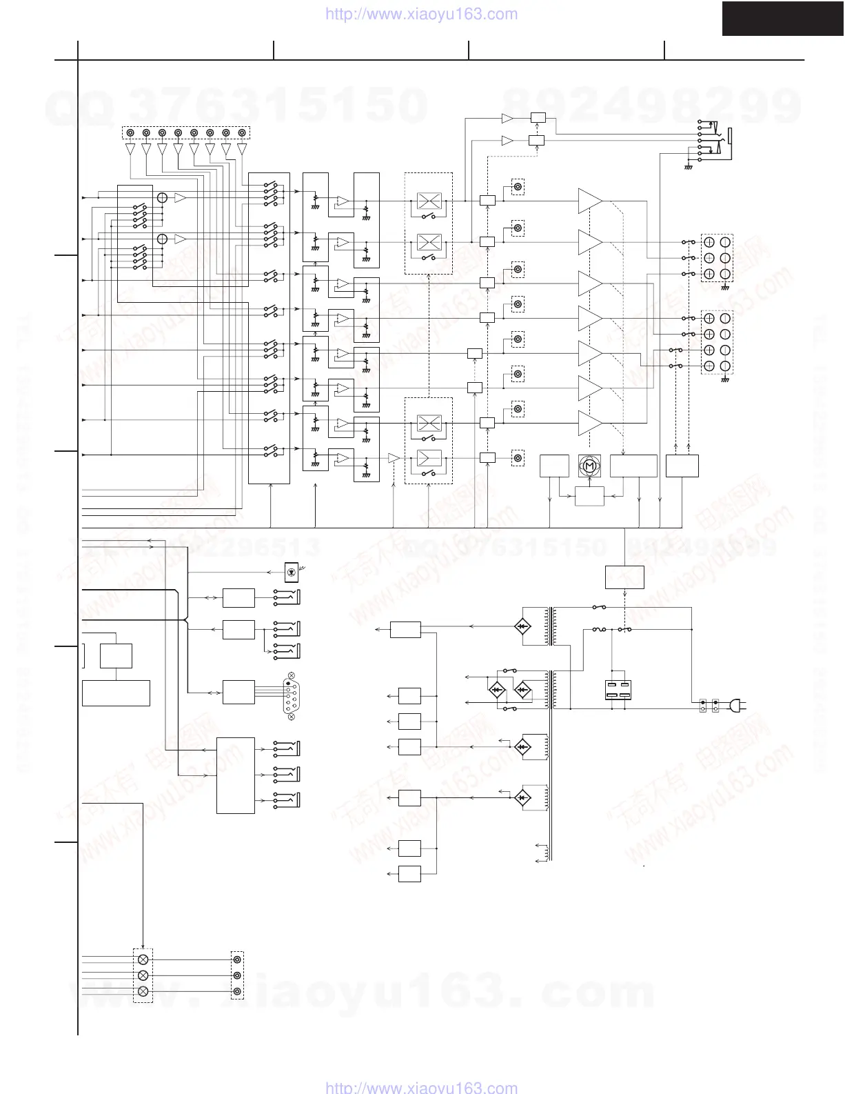
BLOCK DIAGRAM 2
A
1
2
3
4
5
BCD
SURROUND SPEAKERS
LEFT
RIGHT
SURROUND BACK SPEAKERS
/ZONE2 SPEAKERS
RIGHT/BACK
LEFT
MULTICHANNEL INPUT
LRCSWSLSRSBL
SBR
FRONT SPEAKERS
RIGHT
LEFT
CENTER
AC OUTLET
FUSE
RS 232
RIGHT
PREOUT
LEFT
SURROUND
LEFT
SURROUND
RIGHT
SURROUND
BACK
/ ZONE 2 LEFT
SURROUND
BACK
/ ZONE 2 RIGHT
CENTER
SUBWOOFER
COOLING FAN
12V
TRIGGER
CONTROL
IR
DEMO-
DULATOR
12V TRIGGER
+B3
RELAY
+B2
RELAY
DRIVER
FLAC
FL TUBE
FLAC
MAIN AMP
+B1/-B1
-27V
-VP
-15V
AUDIO
-5V
VIDEO
+5V
VIDEO
+5V
DSP
+15V
AUDIO
RELAY
DRIVER
VOLTAGE SENSOR
CURRENT SENSOR
THERMAL
SENSOR
FAN
DRIVER
RI
INTERFACE
+5.6V
STANDBY
COMPONENT VIDEO OUITPUT
Y
CB
CR
HEADPHONE
REMOTE SENSOR
IR OUT
IRIN
RI
T902
T901
AC IN
TONE
NJU7306G
NJU7306G
-1
-1
LED
DRIVER
MPD4721GS
RS 232
INTERFACE
TC94A07F
TC94A07F
TC94A07F
MASTER VOLUME
TC94A07F
CUT
BOOST
TC9482F
MCL
BL
TL
DL
BR
TR
MCR
DR
Z2R
Z2L
DSBL
MCSR
MCSBL
DSW
MCSW
DC
MCC
DSBR
MCSBR
DSR
DSL
MCSL
BPLS
SW->R
BPLS
SW->L
BYPASS
BYPASS
C->L
SL->L
C->R
SR->R
BYPASS
BYPASS
TV-5
POWER SW
TV-8
A
12V TRIGGER
HPEN
BPLS
Zone 2 LED
Rec Out LED
15dB/30dB
TC9163
TC9164
+29dB
Power Amplifier
+29dB
11dB
11dB
+29dB
+29dB
+29dB
+29dB
+29dB
MUTE
MUTE
MUTE
MUTE
MUTE
MUTE
MUTE
MUTE
MUTE
MUTE
ZONE2
B
w
w
w
.
x
i
a
o
y
u
1
6
3
.
c
o
m
Q
Q
3
7
6
3
1
5
1
5
0
9
9
2
8
9
4
2
9
8
T
E
L
1
3
9
4
2
2
9
6
5
1
3
9
9
2
8
9
4
2
9
8
0
5
1
5
1
3
6
7
3
Q
Q
TEL 13942296513 QQ 376315150 892498299
TEL 13942296513 QQ 376315150 892498299
http://www.xiaoyu163.com
http://www.xiaoyu163.com