EasyManua.ls Logo

Integra DTR-8.2 - Audio Adjust; THX Setup Options; Advanced Listening Mode Settings

Integra DTR-8.2
89 pages
Print Icon
To Next Page IconTo Next Page
To Next Page IconTo Next Page
To Previous Page IconTo Previous Page
To Previous Page IconTo Previous Page
Loading...
DTR-8.2
U6
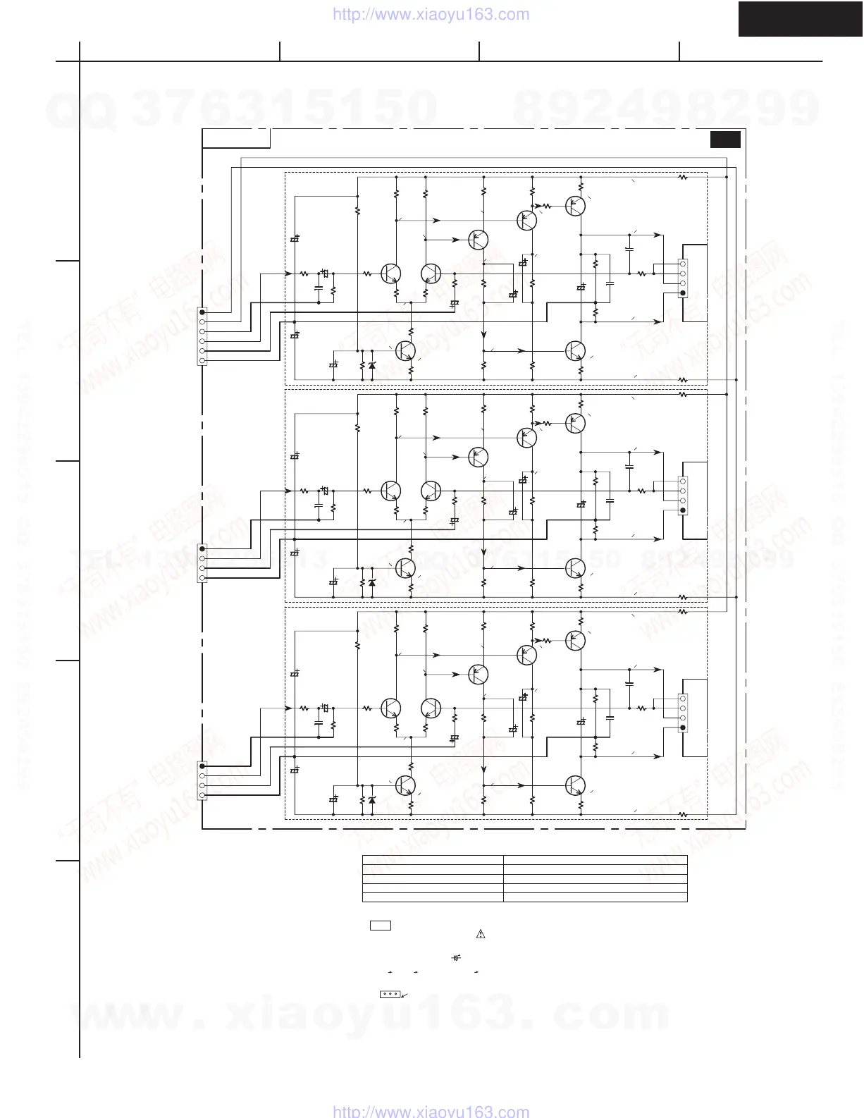
SCHEMATIC DIAGRAM 5-2
Power amp.section
A
1
2
3
4
5
BCD
P6010A
TO NAAF-7250
(SCH.6-2)
D5002
MTZJ5.6B
D5001
MTZJ5.6B
D5000
MTZJ5.6B
C5012
221K
C5102
101K
C5112
050D
C5011
101K
C5101
101K
C5111
050D
C5010
101K
C5100
101K
C5110
050D
C5052
10/50
C5042
220/16
C5072
10/100
C5082
22/63
C5122
100/100
C5132
100/100
C5002
47/50
C5092
47/50
C5051
10/50
C5041
220/16
C5071
10/100
C5081
22/63
C5121
100/100
C5131
100/100
C5001
100/63
C5091
47/50
C5050
10/50
C5040
220/16
C5070
10/100
C5080
22/63
C5120
100/100
C5130
100/100
C5000
100/63
C5090
47/50
R5142
820
(1/2W)
R5042
330
R5032
330
R5022
330
R5052
5.6K
R5062
2.7K
R5292
100K
R5172
820
(1/2W)
R5092
1.8K
R5132
820
(1/2W)
R5162
1K
(1/2W)
R5182
33
(1/2W)
R5152
10K
(1/2W)
R5282
10K
(1/2W)
R5002
1K
R5012
56K
R5072
100K
R5212
18K
R5222
18K
R5302
100(1/2W)
56K
R5252
R5232
15
(1/2W)
R5242
15
(1/2W)
R5332
100
(1/2W)
R5112
2.2K
R5122
2.2K
R5141
820
(1/2W)
R5041
330
R5031
330
R5021
330
R5051
5.6K
R5061
2.7K
R5291
100K
R5171
820
(1/2W)
R5091
1.8K
R5131
820
(1/2W)
R5161
1K
(1/2W)
R5181
33
(1/2W)
R5151
10K
(1/2W)
R5281
10K
(1/2W)
R5001
1K
R5011
56K
R5071
100K
R5211
18K
R5221
18K
R5301
100(1/2W)
R5251
56K
R5231
15
(1/2W)
R5241
15
(1/2W)
R5331
100
(1/2W)
R5111
2.2K
R5121
2.2K
R5140
820
(1/2W)
R5040
330
R5030
330
R5020
330
R5050
5.6K
R5060
2.7K
R5290
100K
R5170
820
(1/2W)
R5090
1.8K
R5130
820
(1/2W)
R5160
1K
(1/2W)
R5180
33
(1/2W)
R5150
10K
(1/2W)
R5280
10K
(1/2W)
R5000
1K
R5010
56K
R5070
100K
R5210
18K
R5220
18K
R5300
100(1/2W)
R5250
56K
R5230
15
(1/2W)
R5240
15
(1/2W)
R5330
100
(1/2W)
R5110
2.2K
R5120
2.2K
Q5042
Q5032
Q5052
Q5041
Q5031
Q5051
Q5040
Q5030
Q5050
Q5012Q5002
Q5022
Q5082
Q5011Q5001
Q5021
Q5081
Q5010Q5000
Q5020
Q5080
P6011A
TO NAAF-7250
(SCH.6-2)
P6012A
TO NAAF-7250
(SCH.6-2)
P6002A
TO NAAF-7250
(SCH.6-2)
P6001A
TO NAAF-7250
(SCH.6-2)
P6000A
TO NAAF-7250
(SCH.6-2)
-0.9V
54.2V
-1.2V
1.2V
55.4V
54.8V
-54.8V
56.2V
-56.2V
-38.6V
-38.9V
54.8V
-55.4V
-51.2V
54.2V
50.6V
-0.9V
54.2V
-1.2V
1.2V
55.4V
54.8V
-54.8V
56.2V
-56.2V
-38.6V
(-37.6V)
-38.9V
54.8V
-55.4V
-51.2V
(-50.2V)
54.2V
50.6V
-0.9V
54.2V
-1.2V
1.2V
55.4V
54.8V
-54.8V
56.2V
-56.2V
-38.6V
-38.9V
54.8V
(53.8V)
-55.4V
-51.2V
(-50.2V)
54.2V
50.6V
(49.6V)
NF
NF
B+
B-
-B1
+B1
NF
NF
B+
B-
NF
NF
B+
B-
SEMICONDUCTORS
NO.
Q5000-06,5010-16 KTC3200-BL OR 2SC1775A-E,F OR 2SC1845-E
Q5020-26 KTC3200-BL OR 2SC1775A-E,F OR 2SC1845-E
Q5030-36,5040-46,5050-56,5070-76 KTA1024-Y,O OR 2SA949-Y,O
Q5060-66,5080-86
KTC3206-Y,O OR 2SC2229-Y,O
NAAF-7232
C
R
L
MARKBY
THE COMPONENTS IDENTFIED
ARE CRITICAL FOR SAFETY.
REPLACE ONLY
WITH PART
NUMBER SPECIFIED.
.
.
VOLTAGE (MEASURED WITH VOLTMETER)IS
DC VOLTAGE.
(NO INPUT SIGNAL)
.
ELECTROLYTIC CAPACITORS (
)
ARE IN F/WV.
.
ALL CAPACITORS ARE IN pF/50WV UNLESS OTHERWISE NOTED.
EX) 030 3pF 330 33pF 331 330pF
333 0.033uF
u
ALL RESISTORS ARE IN OHMS 1/4WATTS
UNLESS OTHERWISE NOTED.
.
THE THICK LINES ON PC BOARD ARE THE PRINTING SIDE OF THE PARTS.
EX) PRINTING SIDE
CIRCUIT IS SUBJECT TO CHANGE FOR IMPROVEMENT.
.
.
NOTE
w
w
w
.
x
i
a
o
y
u
1
6
3
.
c
o
m
Q
Q
3
7
6
3
1
5
1
5
0
9
9
2
8
9
4
2
9
8
T
E
L
1
3
9
4
2
2
9
6
5
1
3
9
9
2
8
9
4
2
9
8
0
5
1
5
1
3
6
7
3
Q
Q
TEL 13942296513 QQ 376315150 892498299
TEL 13942296513 QQ 376315150 892498299
http://www.xiaoyu163.com
http://www.xiaoyu163.com

Other manuals for Integra DTR-8.2

Related product manuals