EasyManua.ls Logo

Integra DTR-8.2 - Changing the audio mode; Enjoying multichannel audio output

Integra DTR-8.2
89 pages
Print Icon
To Next Page IconTo Next Page
To Next Page IconTo Next Page
To Previous Page IconTo Previous Page
To Previous Page IconTo Previous Page
Loading...
DTR-8.2
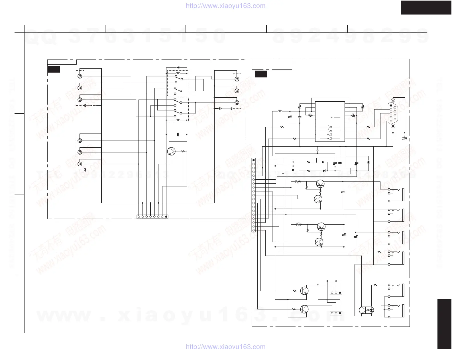
SCHEMATIC DIAGRAM 9-2
Componet video and RS-232C sections
DTR-8.2
U38
U39
A
1
2
3
4
BCDE
P2901B TO NAAR-7267(SCH.9-1)
Q2701
2SC2712
Q231
2SC2712
Q232
2SC2712
JL931A
P6832B
TO NAETC-7237
(SCH.7-1)
P6830B
TO NAETC-7236
(SCH.7-1)
Q224
2SB1068
Q222
2SB1068
Q233
NJM78M56
G
I
O
P203
12TRGA
12TRGB
P202
IR-IN
IR-OUT
P204
12TRIGZ
RI
Q211
PC817X
Q223
RN1402
Q221
RN1402
R211
100
R233
0.22 1/2W
R234
150 1W
R231
1K
R232
1K
R212
220
R228
RUE030
R227
RUE030
R221
2.2K
R222
1K
R223
2.2K
R224
1K
P2705BTO NAAR-7267
(SCH.9-1)
RL2702
RL2701
D203
1SS352
D2701
D202
1SS352
D201
1SS352
R2701
1K
R208
330
R205
330
R201
330
R203
330
C223
47/16
C231
10/16
C232
1000/25
C221
47/16
C222
47/16
C204
1/50
C203
1/50
C202
1/50
C201
1/50
C207
100/6.3
C225
104Z
C205
104Z
C2704
104Z
C2703
104Z
C2702
104Z
C2701
104Z
C233 104Z
C206
104Z
P2703
COMPONENT OUT
Y
CB
CR
P2702
COMPONENT2 IN
Y
CB(PB)
CR(PR)
P2701
COMPONENT1 IN
Y
CB(PB)
CR(PR)
P201
RS-232
L201
BLM21A102F
Q201
PD4721GS
C1+2
C1-4
C4+20
C4-
18
C5+
5
C5-6
7
8
14
13
GND
19
12
11
9
10
VCC3
VCHA15
VDD1
VSS
17
STBY
16
232TXD
232RXD
GND
+5.6V
+13V
+24V
POWER
RLGND
+12V
12TRGA
SPRLF
SPRLZ
Y_2
CB-2
CR-2
+5V
CNP
Z212TRG
232RXD
232TXD
RI
IRIN
12TRGB
RI
IRIN
SPRLF
SPRLZ
RS232,IRIN,RI,12VTRIGER
NAVD-7270
NAETC-7272
w
w
w
.
x
i
a
o
y
u
1
6
3
.
c
o
m
Q
Q
3
7
6
3
1
5
1
5
0
9
9
2
8
9
4
2
9
8
T
E
L
1
3
9
4
2
2
9
6
5
1
3
9
9
2
8
9
4
2
9
8
0
5
1
5
1
3
6
7
3
Q
Q
TEL 13942296513 QQ 376315150 892498299
TEL 13942296513 QQ 376315150 892498299
http://www.xiaoyu163.com
http://www.xiaoyu163.com