EasyManua.ls Logo

Intek H-520 PLUS - Page 36

Intek H-520 PLUS
40 pages
Print Icon
To Next Page IconTo Next Page
To Next Page IconTo Next Page
To Previous Page IconTo Previous Page
To Previous Page IconTo Previous Page
Loading...
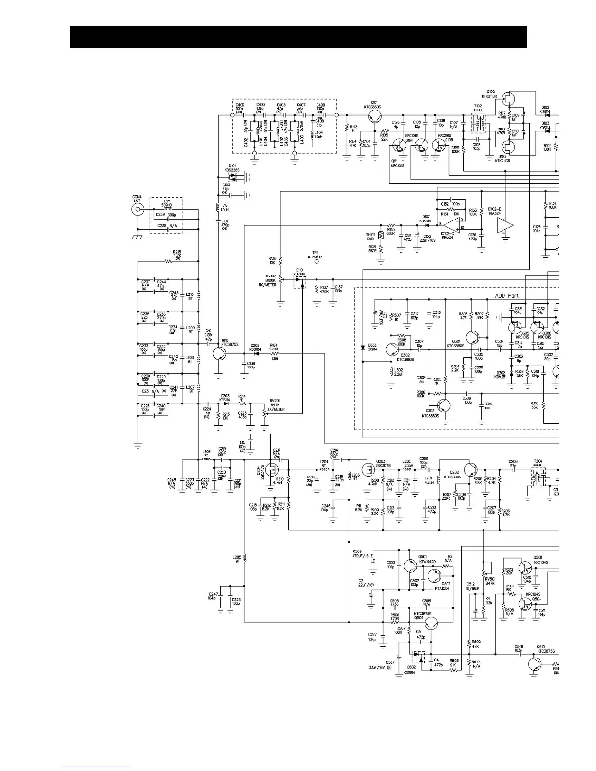
Diagram
- VI -

Related product manuals