EasyManua.ls Logo

Intek H-520 PLUS - Block Diagrams

Intek H-520 PLUS
40 pages
Print Icon
To Next Page IconTo Next Page
To Next Page IconTo Next Page
To Previous Page IconTo Previous Page
To Previous Page IconTo Previous Page
Loading...
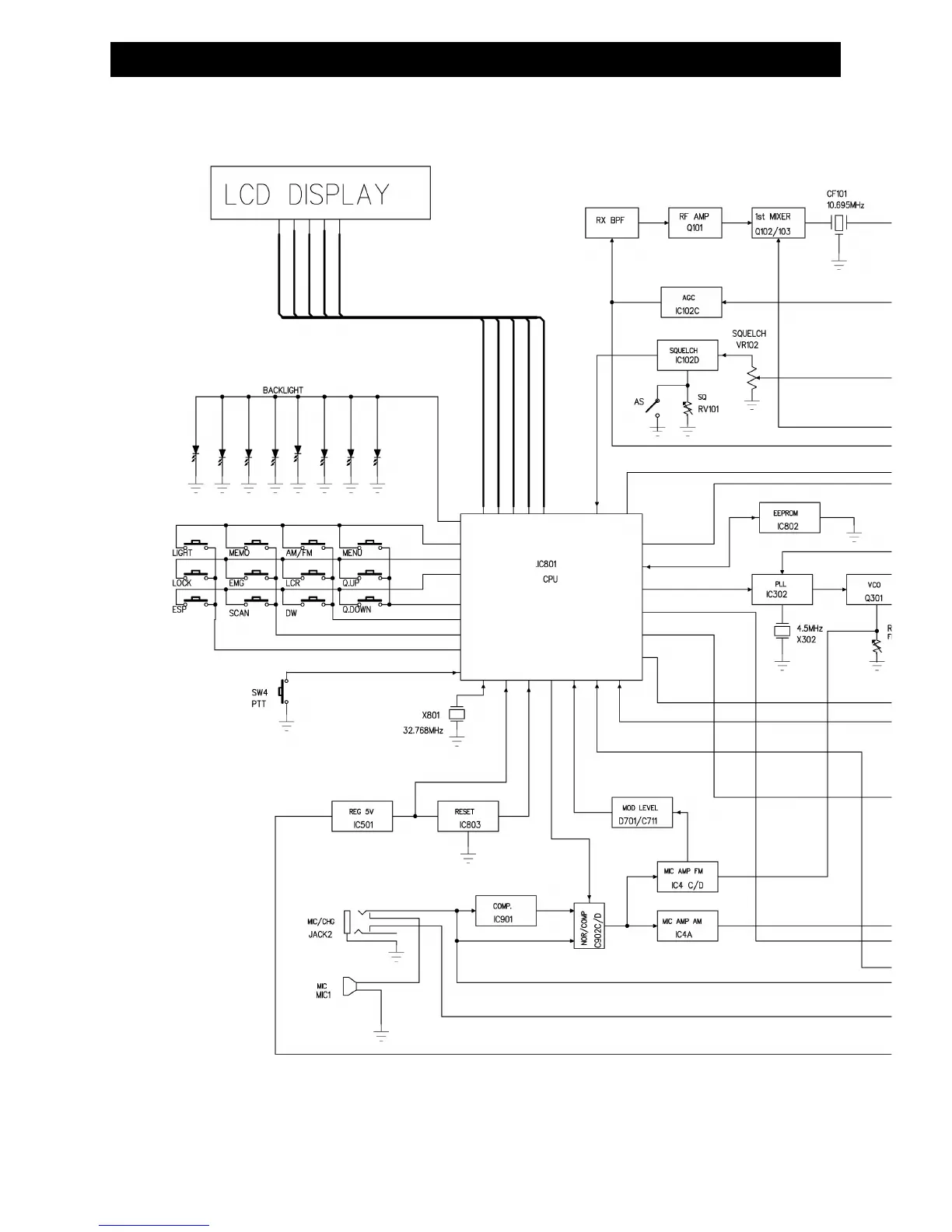
Block Diagram
- VIII -

Related product manuals