EasyManua.ls Logo

Intek M-790 plus - Page 35

Intek M-790 plus
40 pages
Print Icon
To Next Page IconTo Next Page
To Next Page IconTo Next Page
To Previous Page IconTo Previous Page
To Previous Page IconTo Previous Page
Loading...
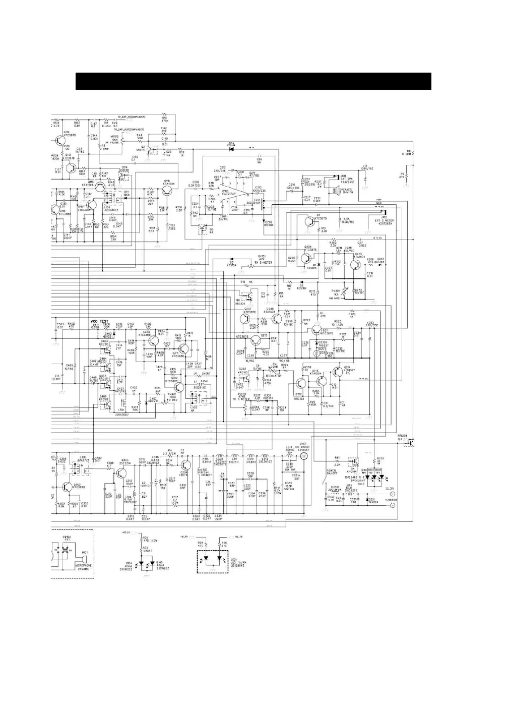
Diagram
- 33 -

Related product manuals