EasyManua.ls Logo

Inter-m PAM-324 - Page 18

Inter-m PAM-324
24 pages
Print Icon
To Next Page IconTo Next Page
To Next Page IconTo Next Page
To Previous Page IconTo Previous Page
To Previous Page IconTo Previous Page
Loading...
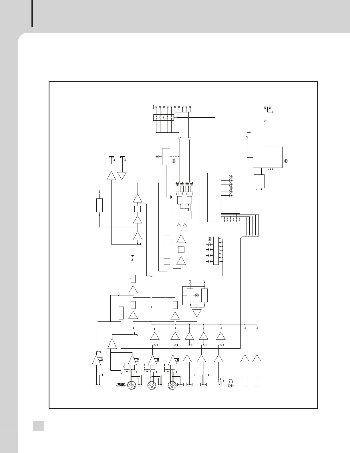
PUBLIC ADDRESS AMPLIFIER
16
PAM-312/324/336/348
SPEAKER ZONE CONTROL CIRCUIT
KEY IN
SP REALY
MASTER
VOLUME
SPEAKER ZONE INDICATOR
SP ALL
SP 5
SP 4
SP 3
SP 2
SP 1
AMP
TEL IN LEVEL
INPUT 3
EXT IN
0dBV
TONE CONTROL
CHIME
(100Hz, 10kHz)
(+10 ~ -10)
LPF
HPF
MUTE
SIREN
CHIME SWITCH
EM SWITCH
-3-6
0
-12-20
PROT
LEVEL METER
LED DRIVER
(+50 ~ +10)
AMP
MIC/LINE
Vph
PHANTOM POWER
AMP
PHANTOM POWER
Vph
AMP
Vph
PHANTOM POWER
TEMP SENS
PROTECTION CIRCUIT
0dBV
MIX OUT
CHIME
AC IN
PWR
SMPS
-20 ~ 0 dBV
TEL IN
+
-
INPUT 1
-60 ~ -20dBV
-
+
INPUT 2
-60 ~ -20dBV
+
-
INPUT 3
-60 ~ -20dBV
INPUT 5
INPUT 4
-20dBV
-20dBV
-20dBV
INPUT 6
RM-05A
-20dBV
INPUT 6
(+50 ~ +10)
MIC/LINE
(+50 ~ +10)
MIC/LINE
SIGNAL DETECTION
TEL IN
MUTE
MIX
MIX
GAIN
GAIN
GAIN
GAIN
LIMMITER
BUFFER
GAIN
SPEAKER TERMIANL
SP1
COM
SP2
SP3
SP4
SP5
COM
COM
MODULE 1
MODULE 2
+15V
-15V
+24V
+80V
-80V
LPF
+
-
GAIN
LOW-Z
HIGH-Z
SELECT
GAIN
CLOCK
DRIVER
HIGH
DRIVER
LOW
MODULATOR
PWM
CLASS D AMPLIFIER
OSCILLATOR
DRIVER
HIGH
DRIVER
LOW
MODULATOR
PWM
FUSE
AMP
GAIN
GAIN
MIX
MUTE
BUFFER
BUFFER
BUFFER
BUFFER
BUFFER
GAIN
HPF
BUFFER
COM
COM
VOLUME
INPUT 4
VOLUME
INPUT 5
VOLUME
INPUT 6
VOLUME
INPUT 2
VOLUME
INPUT 1
VOLUME
EM
EM SWITCH
BUFFER
REGULATOR
+17V
-17V
POWER SWITCH
(with PFC)
PAM-348

Related product manuals