EasyManua.ls Logo

Inter-m QX-4960 - Page 22

Inter-m QX-4960
26 pages
Print Icon
To Next Page IconTo Next Page
To Next Page IconTo Next Page
To Previous Page IconTo Previous Page
To Previous Page IconTo Previous Page
Loading...
QUAD AMPLIFIER
20
QD-4240/4480/4960, QX-4960
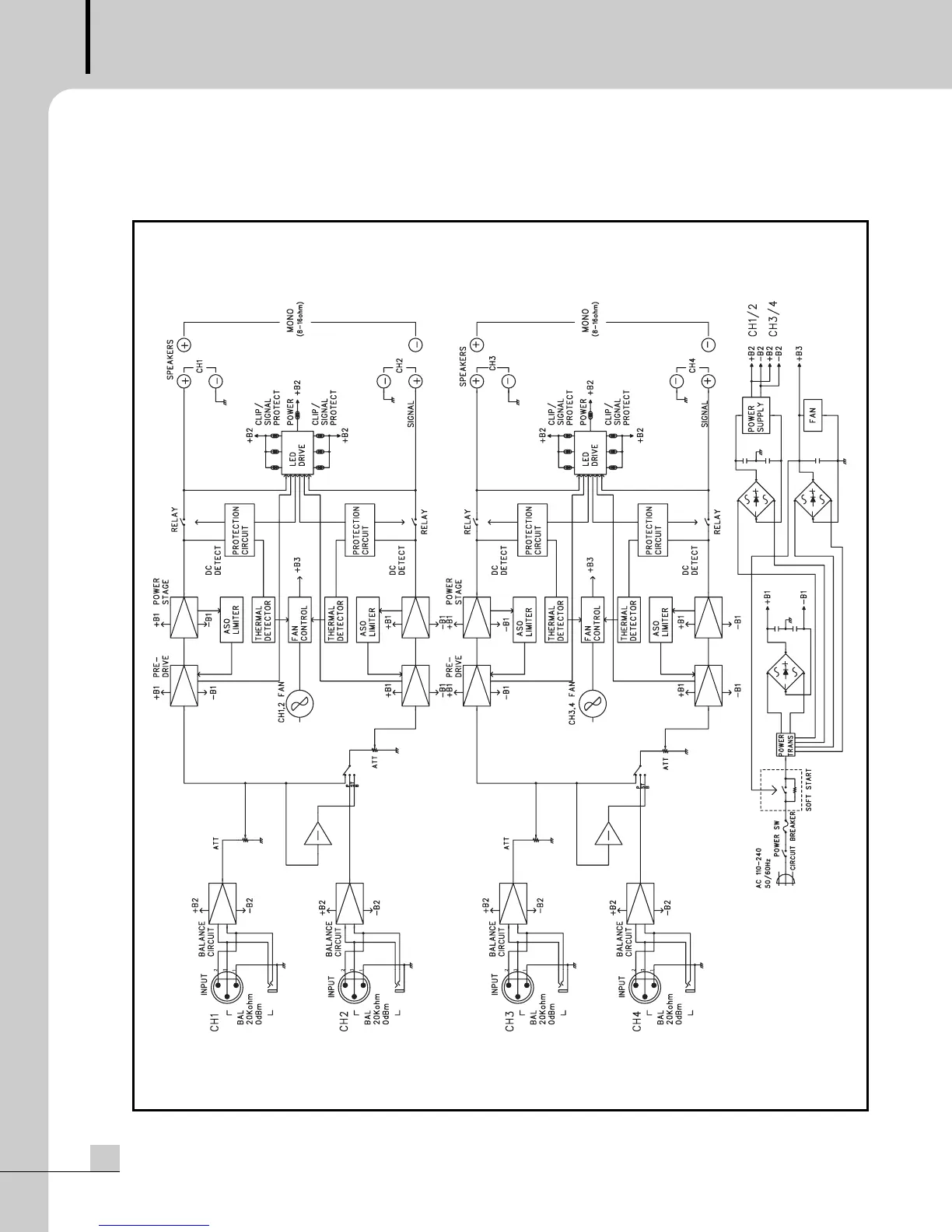
Block Diagram
Block Diagram
- QD-4960

Other manuals for Inter-m QX-4960

Related product manuals