EasyManua.ls Logo

Interpack USA 2024-SB - Section 13 Schematic Diagrams

Interpack USA 2024-SB
94 pages
Print Icon
To Next Page IconTo Next Page
To Next Page IconTo Next Page
To Previous Page IconTo Previous Page
To Previous Page IconTo Previous Page
Loading...
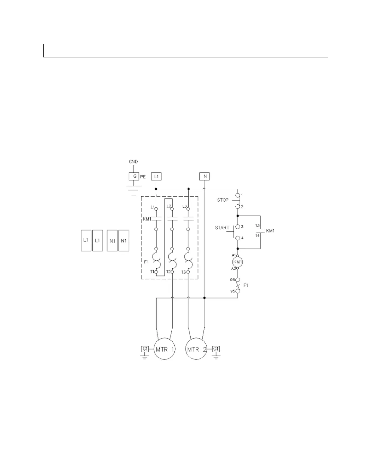
UM094TW / UM594TW UDM094-04
53
S
CHEMATIC
D
IAGRAMS
Electrical Drawing