EasyManua.ls Logo

INVENTOR V7CI-24WiFiR/U7RS-24

INVENTOR V7CI-24WiFiR/U7RS-24
56 pages
To Next Page IconTo Next Page
To Next Page IconTo Next Page
To Previous Page IconTo Previous Page
To Previous Page IconTo Previous Page
Loading...
6
05
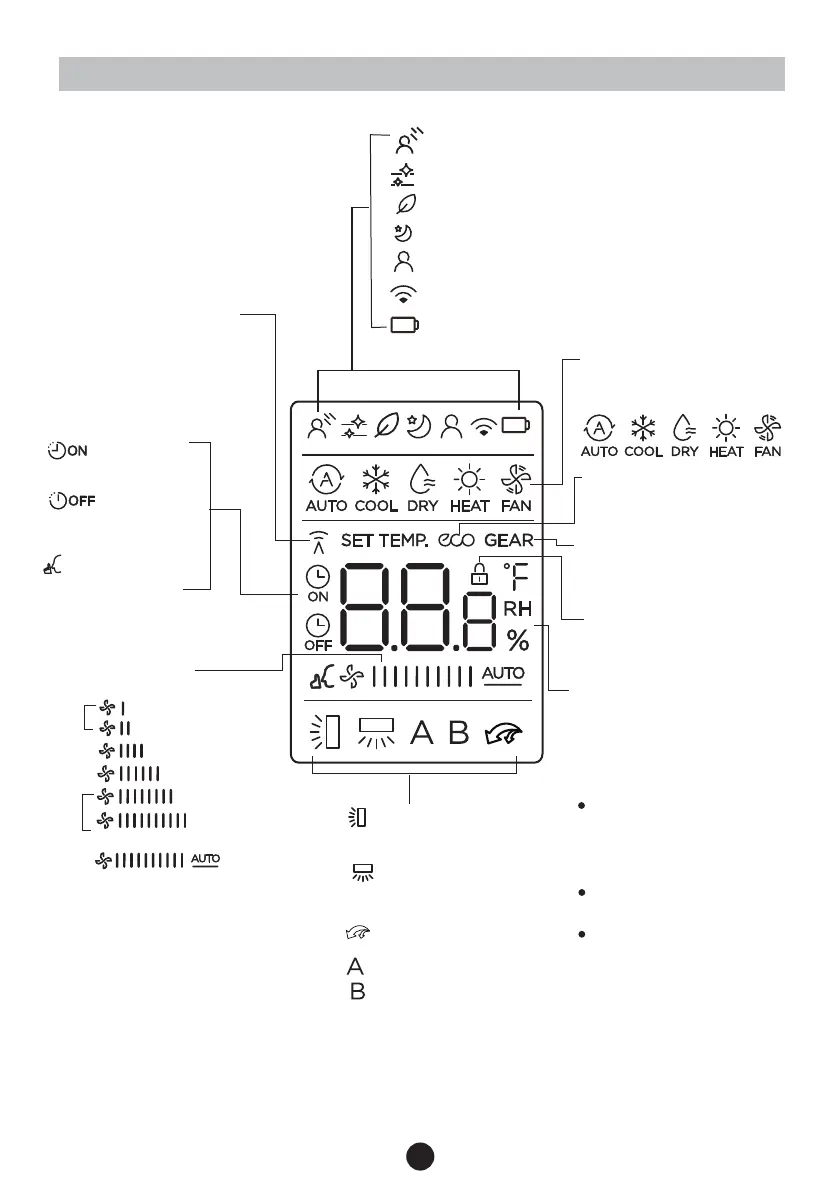
Remote Screen Indicators
Note:
All indicators shown in the figure are for the purpose of clear presentation. But during the actual
operation, only the relative function signs are shown on the display window.
Note:
Not all the models can display
the fan speed values between
AU-100%.
[ ]
*
*
*
*
*
*
*
Information are displayed when the remote controller is power up.
Breeze Away display - not available
Transmission Indicator
MODE display
TIMER ON display
FAN SPEED display
TIMER OFF display
Silence feature
display
ECO display
GEAR display
LOCK display
Horizontal louver
swing display
TURBO mode display
Not available for
this unit
Not available for
this unit
Temperature/Timer/Fan speed
display
Active clean feature display
Fresh feature display - not available
Sleep mode display
Follow me feature display
Wireless control feature display
Low battery detection display(flashing)
Displays when LOCK feature
is activated.
Silence
LOW
MED
HIGH
AUTO
Lights up when remote
sends signal to indoor
unit
Displays selected fan speed:
Displays the current
including:
mode,
2%-20%
21%-40%
41%-60%
61%-80%
81%-100%
1%
This fan speed can not be
adjusted in AUTO or DRY
mode.
Displays when ECO
feature is activated
Displays when GEAR
feature is activated
Displays the set temperature
by default, or fan speed or
timer setting when using
TIMER ON/OFF functions.
Temperature range:
o
o
o
o
16-30 C / /60-86 F
Timer setting range:
0-24 hours
Fan speed setting range:
AU -100%
This display is blank when
operating in FAN mode.
(20-28 C/68-82 F)
(Model dependent)

Related product manuals