EasyManua.ls Logo

ION Road Warrior - Display

ION Road Warrior
15 pages
Print Icon
To Previous Page IconTo Previous Page
To Previous Page IconTo Previous Page
Loading...
REV:V3.0
HOMNI ENTERPRISES CO,.LTD.
A
B
C
D
6 5 43 2 1
D
C
B
A
DRAWN: DATED: DATED:CHECKED: APPROVED: DATED:
TITLE:
COMPANY:
SIZE:A2DWG NO: PT-X-XXXXX-XX SCALE:
Eric.ZX
SHEET: OF
BAT >11.0V
BAT >11.5V
BAT> 12.0V
BAT> 12.5V
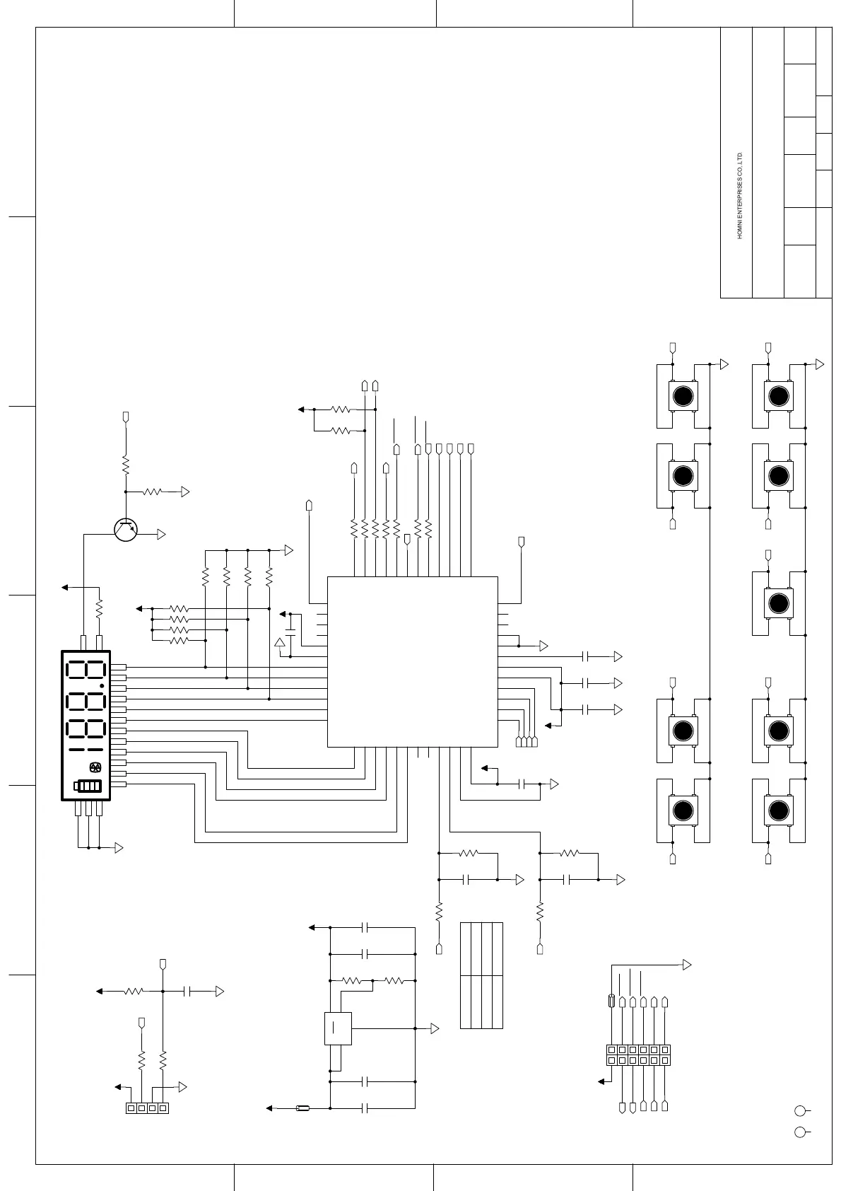
LCD PCB
IPA27-DISPLAY
10
10
2.192V
2.105V
2.017V
1.929V
VOL-
VOL+
TUNE+ TUNE- MIC-
MIC+BT LIGHTSOURCE
R22 240R
R26
47K
C52
1nF
C174
10uF
C175
0.1uF
C176
0.1uF
1
VIN
2
GND
3
ON/OFF
4
BYPASS
5
VOUT
U17
ZHD2405-ADJM5
C177
10uF
R87
16.9K
R165
10K
FB
R168
1.5K@100MHZ
R182
10K
R194
10K
R195
10K
R196
10K
R200
10K
R201
10K
R202
10K
R203
10K
1
2
3
4
J1
R79 22ohm
R232 22ohm
1
23
4
S1
1
23
4
S2
1
23
4
S3
1
23
4
S4
1
2
3
Q12
MMBT4401
1
23
4
S5
1
23
4
S6
1
23
4
S7
1
23
4
S8
1
23
4
S9
R141
10K
1%,0603
C145
0.1uF
R179
4.7K
R217
4.7K
R85
47K
1%,0603
C178
1uF
C179
1uF
C189
1uF
R19322ohm
R19722ohm
C23
1uF
1
NRST
2
OSCIN/PA1
3
OSCOUT/PA2
4
VSSIO_1
5
VSS
6
VCAP
7
VDD
8
VDDIO_1
9
PA3
10
PA4
11
PA5
12
PA8
13
VDDA
14
VSSA
15
AIN7/PB7
16
AIN6/PB6
17
AIN5/PB5
18
AIN4/PB4
19
AIN3/PB3
20
AIN2/PB2
21
AIN1/PB1
22
AIN0/PB0
23
AIN8/PE7
24
AIN9/PE6
25
PE5/SPI_NSS
26
PC1/UART2_CK
27
PC2
28
PC3
29
PC4
30
PC5/SPI_SCK
31
VSSIO_2
32
VDDIO_2
33
PC6/SPI_MOSI
34
PC7/SPI_MISO
35
PG0
36
PG1
37
PE3
38
PE2/I2C_SDA
39
PE1/I2C_SCL
40
PE0/CLK_CCO
41
PD0
42
PD1/SWIM
43
PD2
44
PD3
45
PD4
46
PD5/UART2_TX
47
PD6/UART2_RX
48
PD7/TLI
U1
STM8S005C
R1
47K
1%,0603
C129
0.1uF
R14
10K
1%,0603
R21
1K
R23
47K
C190 1uF
1
2
3
4
5
6
7
8
9
10
11 12
J2-B
R22922ohm
R19922ohm
R19822ohm
R23422ohm
R7422ohm
FB
R58
150@100MHZ
FM
1
SEG0
2
SEG1
3
SEG2
4
SEG3
5
SEG4
6
SEG5
7
SEG6
8
SEG7
9
COM0
10
COM1
11
COM2
12
COM4
13
LED+
14
LED-
15
GND
16
GND
17
GND
LCD
+3.3VD
DGND
+3.3VD
POWER
DGND
DGND
STB
SCL
DGND
POWER
DGND
SWIN
NRST
DGND
+3.3VD
+3.3VD
+3.3VD
DGND
BATJ
+3.3VD
SDA
SCL
DGND
NRST
DGND DGND DGND
DGND
+3.3VD
+3.3VD
SPK_LED
SWIN
DGND
DGND
DGND
S2 S1 S9 S8
S3 S4 S5 S7 S6
S1
S2
S3
S4
DGND
ASIG
LCD_LED
LCD_LED
+3.3VD
DGND
SDA
CHARGE
MUTE_BT
LED_BT
BATJ
ASIG
S6
LED_BT
S7
S8
S9
MUTE_BT
CHARGE
STB
SPK_LED
DGND
S5

Related product manuals