EasyManua.ls Logo

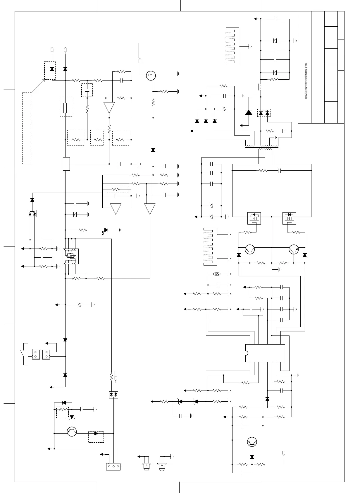
ION Road Warrior - Power Converter

ION Road Warrior
15 pages
Print Icon
To Next Page IconTo Next Page
To Next Page IconTo Next Page
To Previous Page IconTo Previous Page
To Previous Page IconTo Previous Page
Loading...
ERIC.ZX
DWG NO:
HOMNI ENTERPRISES CO,.LTD.
A
B
C
D
6 5 43 2 1
D
C
B
A
DRAWN: DATED: DATED:CHECKED: APPROVED: DATED:
TITLE:
COMPANY:
SIZE:A2SCALE: REV: SHEET: OF
IPA27-POWER_CONVERTER
REAR PCB
SWITCH
4.4 4 10
14.8V 14.6V
(ON=13V,OFF=0V)
V4.2
V4.2
V4.2
V4.2
V4.2
以下B点改善状态为:充电时,开关电源,开关会停止工作
B
B
B
B
B
认证要求 V4.4
认证要求 V4.4
认证要求 V4.4
认证要求 V4.4
1
2
J3-B
SW1-B
1
2
J16-A
3
+
2
-
1
U11-A
LM393DT/ST
8
VCC
4
VEE
U11-C
LM393DT/ST
3
IN
1
ADJ
2
OUT
U13
LM317TG/ON
12
D11
1N5822
C137
0.1uF
50V
R138
10K
1%,0603
R136
15K
1%,0603
R82
3.3KΩ
1%,0603
R155
100Ω
1%,0603
R156
200Ω
1%,0603
R133
24.9K
1%,0603
C49
4.7uF
16V
R139
24.9K
1%,0603
C115 1uF
25V
1
2
3
J5-B
C50
10uF
16V
C47
1uF
16V
R173
470K
R227
300K
1
2
D8
MUR1520
S
S
S
G
D
D
D
D
1
2
3
45
6
7
8
U22
CEM4435
+
C195
47uF
35V
R124
20K
R184
4.7K
C198
4.7uF
16V
R185 470K
R135
470K
5
+
6
-
7
U11-B
LM393DT/ST
1
G
2
D
3
S
Q1
2N7002
1
IN+
2
IN-
3
COMP
4
DTC
5
CT
6
RT
7
GND
8
C1
9
E1
10
E2
11
C2
12
VCC
13
O_SEL
14
REF
15
2IN-
16
2IN+
U12
TL494CDR
C191
4.7uF
16V
C206
1nF
25V
R132
16.9K
R148
47K
R164
NC
C207
4.7uF
16V
C208
1uF
16V
R183
10R
C211
4.7uF
16V
R213
10R
1
2
3
Q6
MMBT5087
1
2
3
Q14
MMBT4403
R239
10K
R240
47K
C213
4.7uF
16V
D1
1N4148WS
R236
470R
Q15
STP65NF06
Q17
STP65NF06
1
2
3
Q19
MMBT5087
D4
1N4148WS
R241
470R
R242
10R
R244
10R
C219
0.1uF
25V
C220
0.1uF
25V
R246
47K
R247
10K
R252
10K
R253
100R
C222
1nF
50V
1
2
3
D13
MBR20200
+
C246
3300uF
16V
+
C247
3300uF
16V
+
C250
1000uF
50V/LowESR
R255
100R
C253
1nF
C254
0.1uF
50V
D18
MURA220T3
D21
MURA220T3
+
C269
1000uF
50V/LowESR
C255
2.2uF
50V
C285
0.1uF
50V
C248
4.7uF
16V
C249
0.1uF
16V
C244
4.7uF
16V
+
C286
1000uF
35V/LowESR
+
C287
470uF
35V/LowESR
C288
0.1uF
50V
R126
20K
R140
10K
RTH1
100K
HEAT SINK
1
2
H3
C196
1uF
16V
R216
47K
R237
20K
Z8
NC
R269
10K
Z7
NC
1
2
J16-B
D41
MURA220T3
1
2
J6-B
R283 10K
D43
MURA220T3
1
2
3
4
5
6
7
8
9
TR3
HEAT SINK
1
H4
R137
2.4Ω/5W
R125
470K
R134
1M
C73
0.1uF
25V
D10
1N4148WS
D28
MURA220T3
D42
BAV70
D17
BAV70
R298
3.37K
R299
1.5K
D32
1N4148WS
R163
47K
R248
47K
C336
4.7uF
16V
C37
4.7uF
16V
R296
10K
1%,0603
R297
49.9K
1%,0603
D2
1N4148WS
R167
20K
K
A
LED9
LED
RED
L42
0R
C51
NC
50V
D12
1N4148WS
1
2
3
Q3
MMBT4403
R276
330K
C200
10uF
16V
Z1
5.6V
D14
1N4148WS
R272
15K
R273
20K
R277
NC
D24
1N4148WS
R176 10K
D16
1N4148WS
PG
PG
PG
CHARGE
PG
PG
CHARGE_ON
PG
PGPG
PG
REF_5V
BATT_12V
PG
PG
PG
PG
REF_5V
BATT_12V
PG
PG
DC12V+12V_STB
REF_5V
+30V_AC
PG
PVDD
PG
+18V
+18V
OCP_DC
PG
REF_5V
PGPG PG PGPG
REF_5V
PG
PVDD
PG
+18VPRE
+12V_STB
+18V_AC
STB
PG
+30V_AC
+12V_STB
PG
PG PG
+18V_AC
PG PG
PG
PG
PG
1

Related product manuals