EasyManua.ls Logo

ION Road Warrior - AC Power

ION Road Warrior
15 pages
Print Icon
To Next Page IconTo Next Page
To Next Page IconTo Next Page
To Previous Page IconTo Previous Page
To Previous Page IconTo Previous Page
Loading...
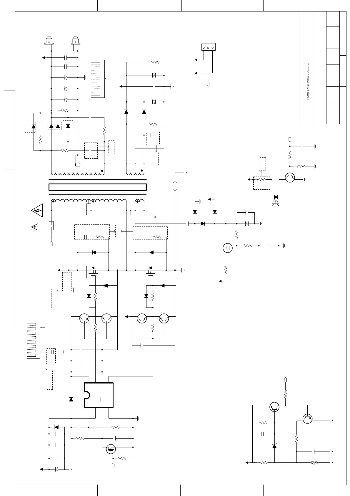
REV:V4.7 SHEET: 2 OF 10SCALE:DWG NO: PT-X-XXXXX-XX SIZE:A2
COMPANY:
TITLE:
DATED:APPROVED:CHECKED: DATED:DATED:DRAWN:
A
B
C
D
123456
D
C
B
A
HOMNI ENTERPRISES CO,.LTD.
Eric.ZX
IPA27-AC_POWER
AC_POWER PCB
+30V8A
V4.2
V4.2
V4.2
V4.2
V4.2
V4.2
V4.2
非常用规格变更
非常用规格变更
认证
认证
认证
降低功耗
V4.7
V4.7
HEAT SINK
1
2
H401
C450
102/1KV
1
2
J3-A
Q403
FDPF18N50
Q404
FDPF18N50
C449102/1KV
12
D416
1N4148WS
12
D407
1N4148WS
D415
MURA160T3
D408
MURA160T3
R430
NC
C447
NC
R424
NC
C435
NC
7
6
5
1
3
2
4
T401-A
D406
ES1D
D405
ES1D
+
C416
470uF
50V
C431
10uF
50V
D403
MBR20200CTG
C429
470P
R415
100R
+
C420
1000uF
50V
+
C421
120uF
50V
C423
10uF
50V
C424
10uF
50V
R416
47R
C430
470P
1
RCT
2
VDD
3
DT/SD
4
GND
5
LO
6
VS
7
HO
8
VB
U405
FAN7387MX
C436
680pF
R425
6.8K
+
C403
47uF
C444
0.1uF
1
G
2
D
3
S
Q413
STS3401
R43510K
R434
1K
R408
10K
R409
47K
1
2
3
Q412
MMBT4401
1
2
3
Q411
MMBT4403
R431 49.9R
1
2
3
Q410
MMBT4401
1
2
3
Q409
MMBT4403
R420 49.9R
C415
0.1uF
1
2
3
J5-A
1
2
J6-A
C407
1.0uF600V
C440
1uF
D417
MURA160T3
C446
0.1uF
R433 10R
R423 10R
1
C
2
A
Z402
13V
C441
0.1uF
C438
0.1uF
RTH401
100K
C425
0.1uF
R410
17.4K
1
2
3
Q407
DTC114EKA
R411 27.4K
Q406
MMBT4403
R412
10K
12
ZD401
5V6 1/2W
R419 10K
1
23
4
U403
EL817SI
D411
NC
8
9
10
11
12
13
14
T401-B
+
C419
330uF
35V
C414
2.2nF
400V
D414
FB120,3A,1206
R407
2K
1
2
3
Q405
MMBT4401
+
C406
100uF
35V
C448
0.1uF
R43647R
HEAT SINK
1
H402
R427
100K
D412
NC
C439
NC
50V
C445
2.2uF
C434
0.1uF
C443
10uF
1
2
3
Q408
2N7002
R421
10K
C422
0.1uF
R441
15K
R442
15K
+
C453
120uF
50V
R443 47R
C455 470pF
R444 47R
C454
470pF
C456
1uF
12
R422
24V/SOD323
12
R432
24V/SOD323
D418
P6KE200
D419
P6KE200
HGND
HVDD
HGND
HGND
+18V_AC
PG
PG
+30V_DC
HGND
HGND
TR-CENT
POWER_ON
HGND
PG
+12V_ACP
+18V_AC+12V_STB
POWER_ON
+12V_ACP
+12V_ACP
+12V_ACP
PG
HGND
+12V_AC
PG
HGND
+12V_STB
HGND
HGND HGND HGND
OCT_PRO
OCT_PRO
PG

Related product manuals