EasyManua.ls Logo

iPower SUA4500 - Circuit Diagram

iPower SUA4500
104 pages
Print Icon
To Next Page IconTo Next Page
To Next Page IconTo Next Page
To Previous Page IconTo Previous Page
To Previous Page IconTo Previous Page
Loading...
Page 25
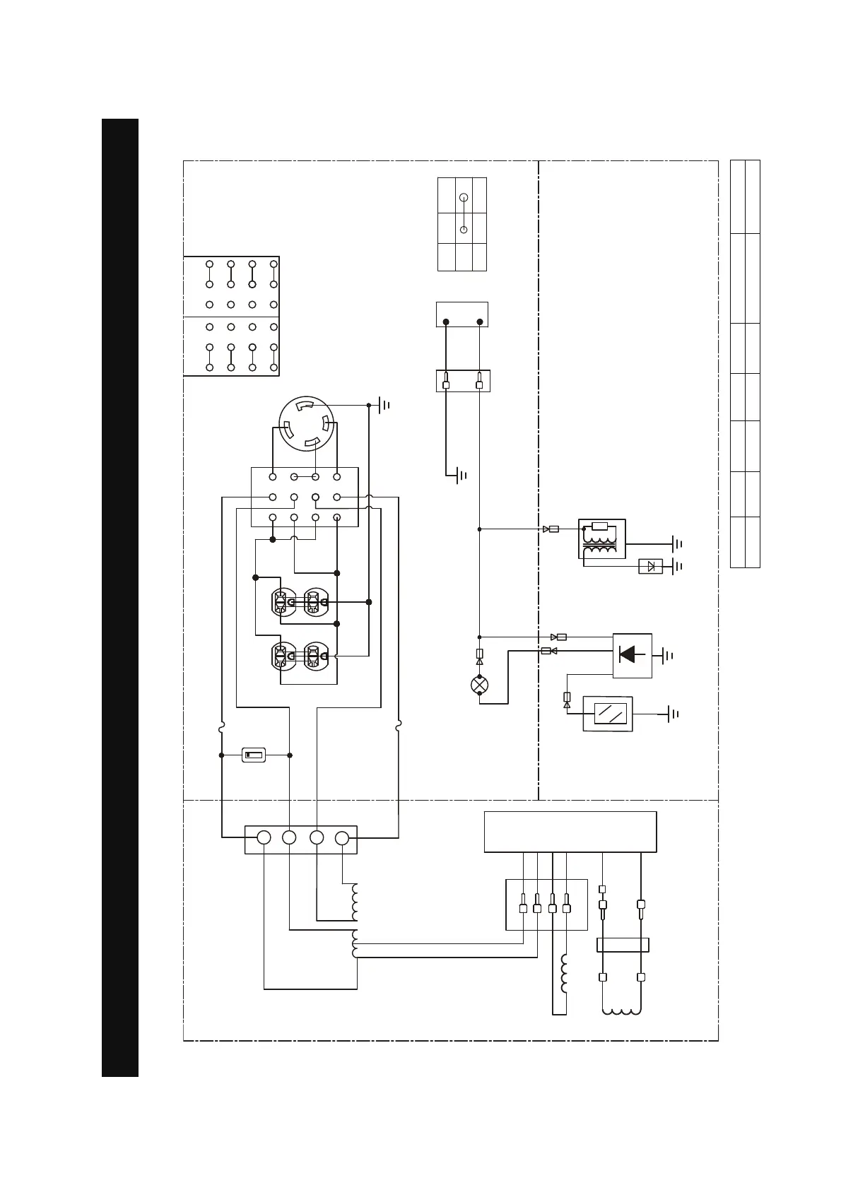
Circuit Diagram
CIRCUIT DIAGRAM
Model:SUA4500
B:BLACK
Br:BROWN
G:GREEN
Gy:GRAY
L:BLUE
O:ORANGE
R:RED
W:WHITE
Y:YELLOW
P:PINK
B/W:BLACK/WHITE
Y/G:YELLOW/GREEN
R/W:RED/WHITE
Grounding system(AC): Neutral Bonded to Frame
:
5
/
/
*
:
5
9
$
,*
(
21
2))
,*
(
%5
%
0.0
+RXUPHWHU
<*
9ROWDJHVHOHFWVZLWFK


  


  


  
9 9
%
%
:
:
$
/5
$5
/RZRLO
VKXWGRZQ
VZLWFK
6SDUN
SOXJ
,JQLWLRQ
FRLO
/RZRLOLQGLFDWRU/('
/RZRLO
VKXWGRZP
PRGXOH
*
%
%
:
:
8QLWVZLWFK
%
%5
<
<
8QLWVZLWFK
%
*
$5
*:
%
%
*
%
CONTROL PANEL
ENGINE
ALTERNATOR
<*
::
%
%
<*
<*
%
:
:
%
:
%
%
$
$
([FLWDWLRQFRLO
5RWRU
6WDWRUFRLO

Table of Contents

Related product manuals