EasyManua.ls Logo

iPower XOS2300i - Warranty Limitations and Returns; Warranty Liability Limitations; Merchandise Return Guidelines

iPower XOS2300i
36 pages
Print Icon
To Next Page IconTo Next Page
To Next Page IconTo Next Page
To Previous Page IconTo Previous Page
To Previous Page IconTo Previous Page
Loading...
R
Y
Y
USB
L
P
Y
O
R
DC voltage
regulator
rectifier
5A
ALTERNATOR
Main coil
B
B
B
Sub coil
DC coil
W W
B
Trigger
B
Low oil shutdown
module(sensor)
ENGINE
R/W
B
B
R/B
L/W
B/W
B/W
Br
Br
R/W
Light coil
Fuel level
sensor
Y
DC coil
L
L
Y/G
Stepping motor
GND
W
GND
Engine switch
CO indicator light
(Red light, Yellow light)
Gy
Y
R
B
L
Br
B/W
G/W
G
W
R
Y
Y
R/B
L/W
B
W
Y/G
LED light
Data
center
G/W
G
L5-30R
30A
R/B
Y
Y
Br
L
B
G/W
G
B/W
W
R
L/W
5-20R
20A
HX30002-12A
CONTROL PANEL
Parallel
Ports
20A
Display module
port definition
CO
sensor
module
Control
module
-
+
+
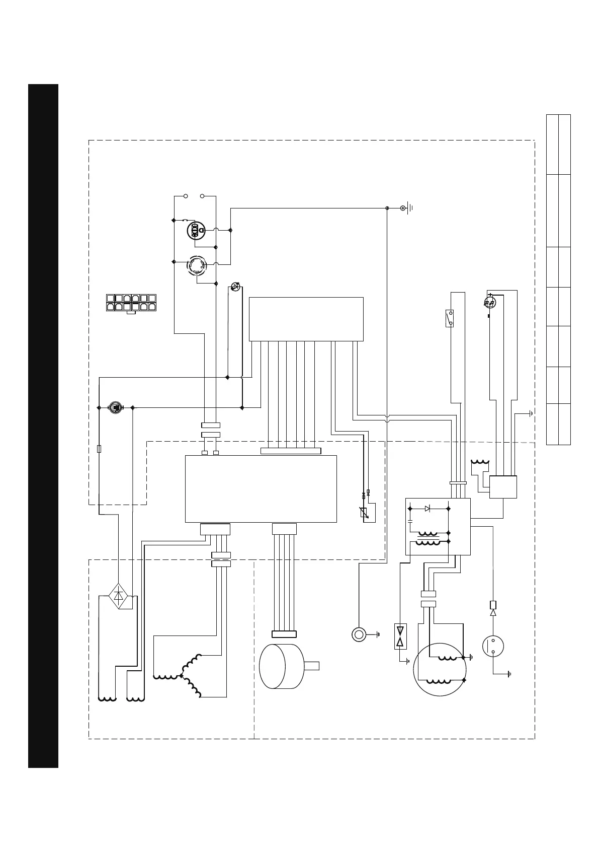
Circuit Diagram
CIRCUIT DIAGRAM
Model: XOS2300i
B:BLACK
Br:BROWN
G:GREEN
Gy:GRAY
L:BLUE
O:ORANGE
R:RED
W:WHITE
Y:YELLOW
P:PINK
B/W:BLACK/WHITE
Y/G:YELLOW/GREEN
R/W:RED/WHITE
Grounding system(AC): Neutral Floating Grounding system(DC): System Floating
Page 29

Related product manuals