EasyManua.ls Logo

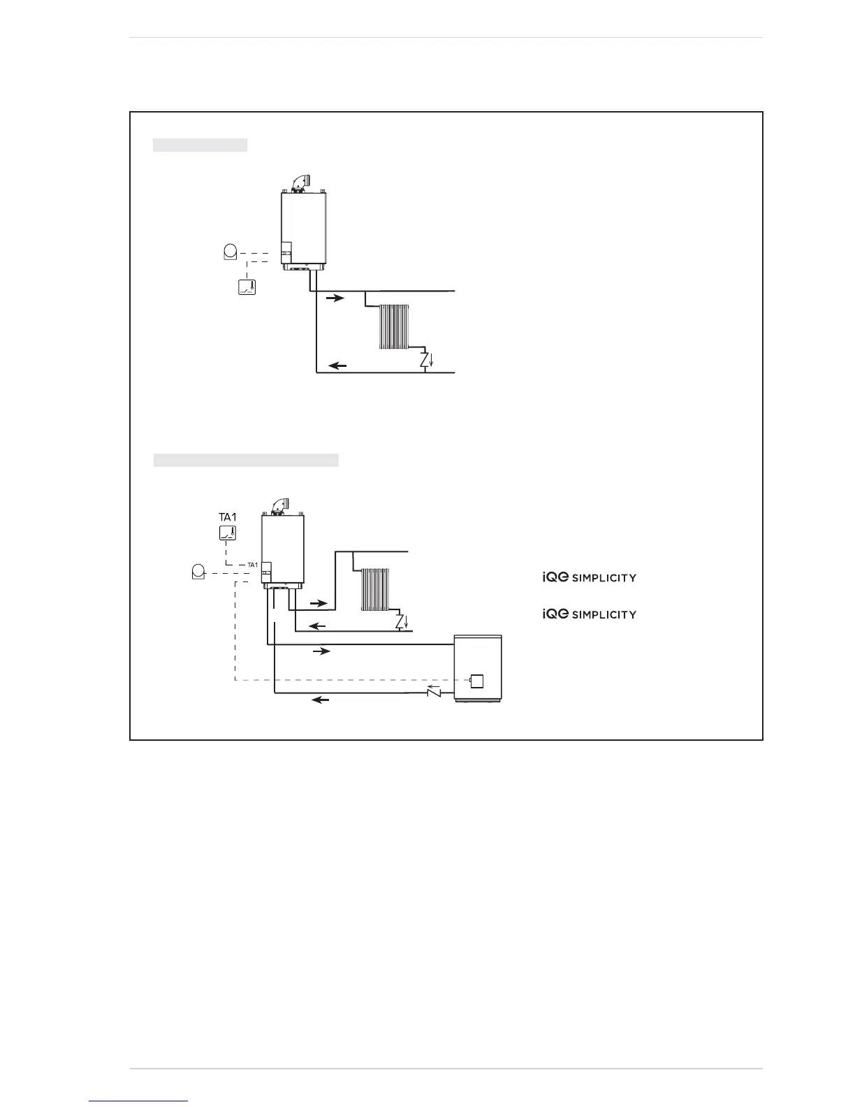
iQe SIMPLICITY 25 - System with a Direct Zone and Room Thermostat and External Sensor; System with Remote Cylinder

iQe SIMPLICITY 25
56 pages
Print Icon
To Next Page IconTo Next Page
To Next Page IconTo Next Page
To Previous Page IconTo Previous Page
To Previous Page IconTo Previous Page
Loading...
&)
& 76H>8HNHI:B/HNHI:BL>I=69>G:8IODC:6C9GDDBI=:GBDHI6I6C9:MI:GC6AH:CHDG8dYZ-%.)&%'
R
M
SE
CR
CR
SE
SB
M2
R2
SB
BOLLITORE
E6G6B:I:GH:II>C<
(&J#(+J#)&J^[
l^i]9#=#LXna^cYZgidWZhZi/E6G'2(
(& J #(+ J #)& J
dcan[dg]ZVi^c\idWZhZi/E6G'2)
' HNHI:BL>I=G:BDI:8NA>C9:G
8NA>C9:G
G(
B 8#=#[adl
G 8#=#gZijgc
H: :miZgcVaiZbeZgVijgZhZchdg
I6
Gddbi]ZgbdhiVi
H7 9#=#L#iVc`hZchdg
R
M
SE
TA
CR
TA1
CR
SE
;^\#&%

Table of Contents

Other manuals for iQe SIMPLICITY 25

Related product manuals