EasyManua.ls Logo

ISA TORNADO - Wiring Diagram and Schematics

ISA TORNADO
34 pages
Print Icon
To Next Page IconTo Next Page
To Next Page IconTo Next Page
To Previous Page IconTo Previous Page
To Previous Page IconTo Previous Page
Loading...
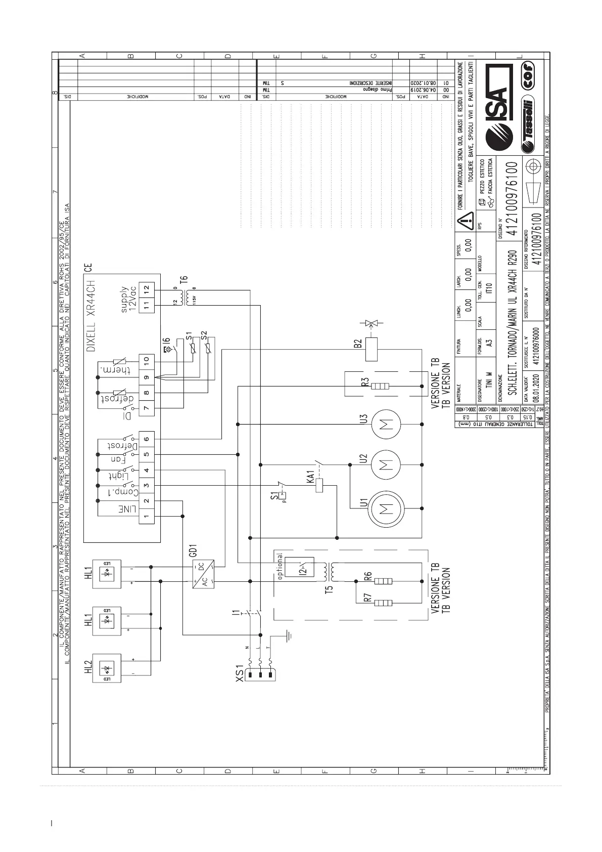
WIRING DIAGRAM
32 2020-05
TORNADO
EN 428000747237
Use and maintenance manual
S1 AMBIENT PROBE
S2 EVAPORATOR PROBE
CE ELECTRONIC CONTROL
U1 COMPRESSOR
U2 CONDENSER FAN
U3 EVAPORATOR FAN
GD1 POWER SUPPLY LED
HL1 LED LAMP
HL2 LED LAMP
I1 MAIN SWITCH
I2 SWITCH
I6 DOOR MICROSWITCH
KA1 COMPRESSOR RELAY
T5 TRANSFORMER
T6 TRANSFORMER ELECTRONIC CONTROL
B2 DEFROSTING SOLENOID VALVE
R3 OUTSIDE PERIMETER HEATING RESISTOR
R6 DOOR FRAME HEATING RESISTOR
R7 HEATING RESISTOR GLAS
XS1 PLUG POWER
S1 PRESSURE SWITCH

Related product manuals