EasyManua.ls Logo

ISA TORNADO - Page 33

ISA TORNADO
34 pages
Print Icon
To Next Page IconTo Next Page
To Next Page IconTo Next Page
To Previous Page IconTo Previous Page
To Previous Page IconTo Previous Page
Loading...
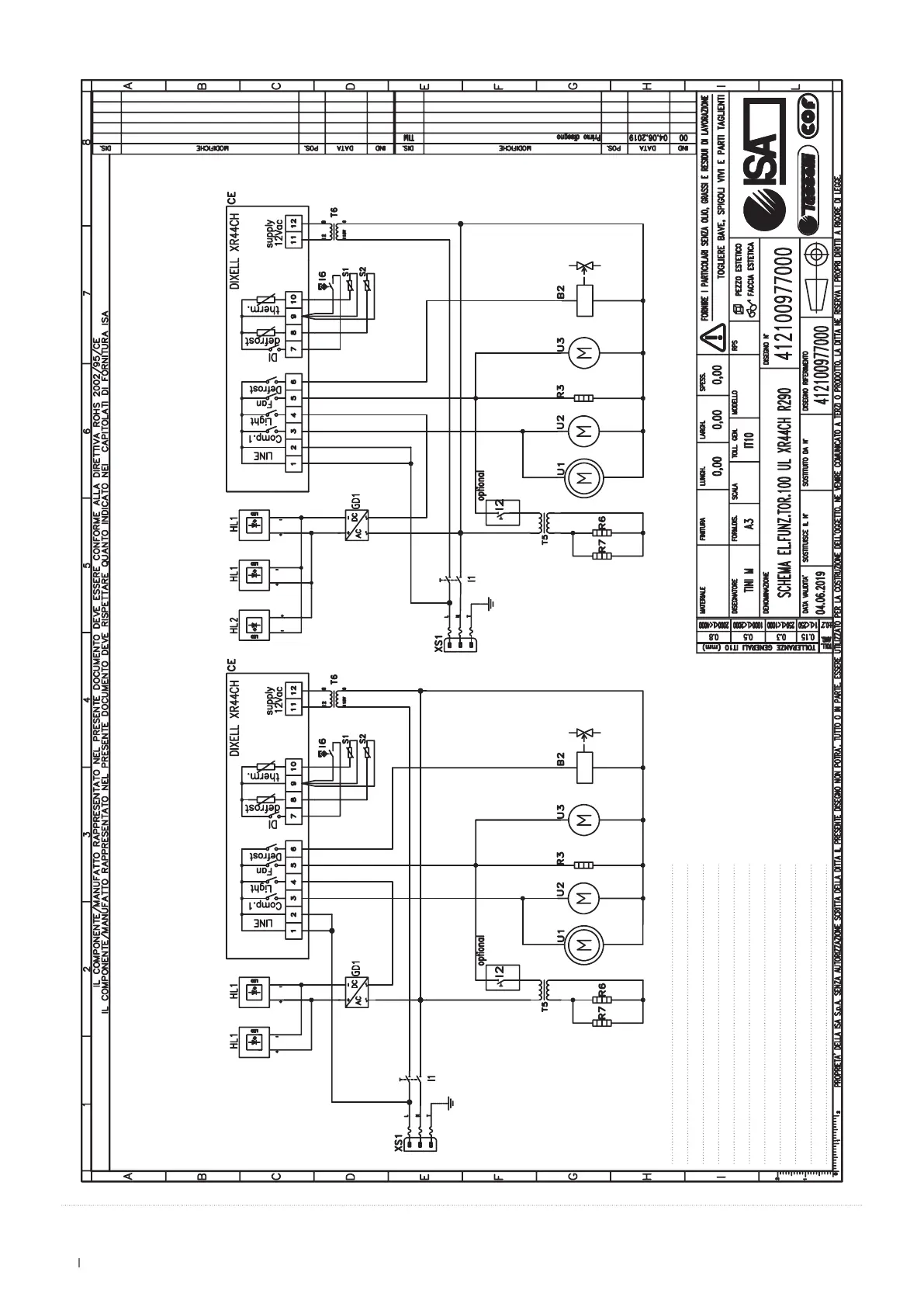
WIRING DIAGRAM
33 2020-05
TORNADO
EN 428000747237
Use and maintenance manual
S1 AMBIENT PROBE I2 ANTISWEAT SWITCH
S2 EVAPORATOR PROBE I6 DOOR MICROSWITCH
CE ELECTRONIC CONTROL T5 TRANSFORMER
U1 COMPRESSOR T6 TRANSFORMER ELECTRONIC CONTROL
U2 CONDENSER FAN B2 DEFROSTING SOLENOID VALVE
U3 EVAPORATOR FAN R3 OUTSIDE PERIMETER HEATING RESISTOR
GD1 POWER SUPPLY LED R6 DOOR FRAME HEATING RESISTOR
HL1 LED LAMP R7 HEATING RESISTOR GLAS
HL2 LED LAMP XS1 PLUG POWER
I1 MAIN SWITCH

Related product manuals