EasyManua.ls Logo

Isuzu 4ja1 - Cylinder Head

Isuzu 4ja1
564 pages
Print Icon
To Next Page IconTo Next Page
To Next Page IconTo Next Page
To Previous Page IconTo Previous Page
To Previous Page IconTo Previous Page
Loading...
ENGINE MECHANICAL 6A – 57
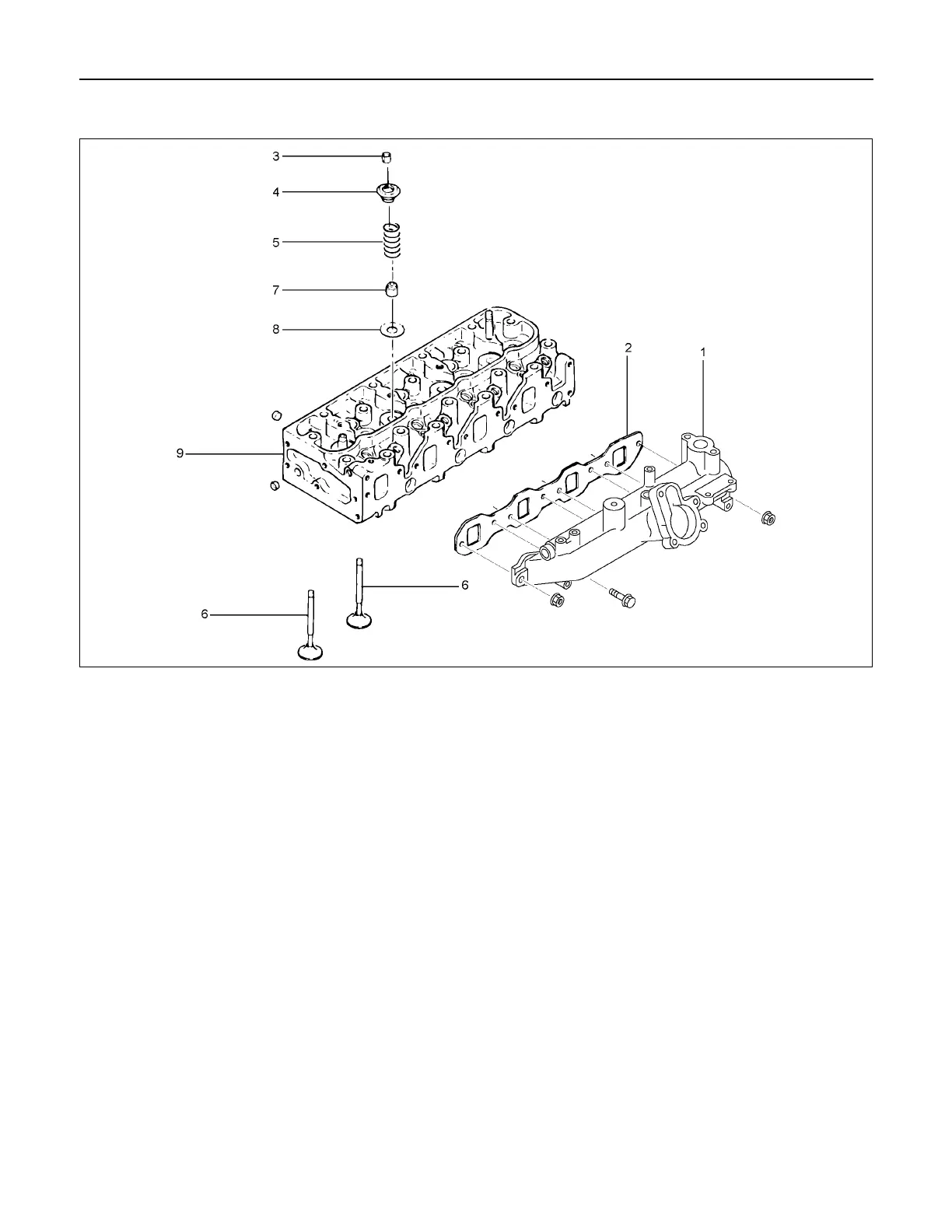
CYLINDER HEAD
RTW46ALF001201
Disassembly Steps
1.
Intake manifold 6.
Intake and exhaust valve
2.
Intake manifold gasket 7.
Valve stem oil seal
3.
Split collar 8.
Valve spring lower seat
4.
Valve spring upper seat 9.
Cylinder head
5.
Valve spring

Table of Contents