EasyManua.ls Logo

ITT SSH-C - Page 11

ITT SSH-C
36 pages
Print Icon
To Next Page IconTo Next Page
To Next Page IconTo Next Page
To Previous Page IconTo Previous Page
To Previous Page IconTo Previous Page
Loading...
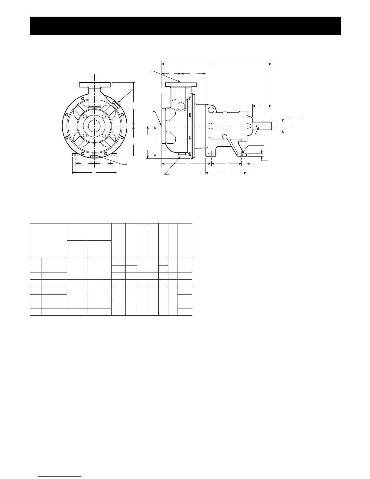
11
DC
MAX.
3
8
" GAS THREAD
UNI ISO 228/1
3
8
" PAS DU GAZ
(UNI ISO 228/1)
½
¾
KEYWAY
1
8
x
1
4
,
CHAVETERO
1
8
x ¼
,
LOGEMENT DE CLAVETTE,
1
8
x ¼
1.125
1.124
DIA.
Dimensions and Weights – Bare Pump Only,
Dimensiones y Pesos – Solamente Bomba,
Dimensions et poids – pompe nue seulement
9SH 1 x 2 – 6 5
16
3
8
7
5
8
6
3
8
3
1
8
56
10SH 1 x 2 – 8 2 1 5
5
8
5
3
8
7
1
8
64
11SH 1 x 2 – 10 6
7
8
6
5
8
17¼ 8
7
8
4 86
4SH 1½ x 2½ – 6
5 16½ 6
3
8
56
7SH 1½ x 2½ – 8
5
5
8
5
3
8
7
1
8
64
5SH 2 x 2½ – 6
2
5
16½
4
57
8SH 2 x 2½ – 8
6 6
3
8
66
6SH 2½ x 3 – 6 3 57
Pump,
Bomba,
Pompe
NOTE:
1. Pumps will be shipped with top
vertical discharge as standard.
For other orientations, remove
casing bolts, rotate discharge to
desired position, and tighten
3
8
–16 bolts to 12 ft./lbs.,
7
16
– 14
bolts to 20 ft./lbs.
2. ALL dimensions in inches.
3. Not for construction purposes.
NOTA:
1. Las bombas se transportarán con
la descarga vertical superior como
estándar. Para otras orientaciones,
retirar los tornillos de la carcasa,
rotar la descarga a la posición
deseada, y apretar
3
8
– 16 tornillos
a 12 pies/libras,
7
16
– 14 tornillos a
20 pies/libras.
2. TODAS las dimensiones en
pulgadas.
3. No para propósitos de construc-
ción.
NOTA :
1. L’orifice de refoulement est orienté
vers le haut. Pour l’orienter autre-
ment, enlever les vis de fixation du
corps de pompe, placer l’orifice
dans le sens voulu, puis reposer et
serrer les vis
3
8
– 16 à 12 lbf·pi et
7
16
– 14 à 20 lbf·pi.
2. Les dimensions sont en pouces, et
le poids, en livres.
3. Ne pas utiliser les dimensions pour
la construction si elles ne sont pas
certifiées à cette effet.
Wt.
(lbs.),
Peso
(libras),
Poids
DD L X Y
DC
Max.,
DC
Máx.,
DC
max.
Suction Discharge
Succión
Descarga
Aspir. Refoul.
150 lb. Flange,
Brida de 150 lib.,
Bride, 150 lb/po
2
CP
Max.,
CP
Máx.,
CP
max.
7
X
DD
PRIME PLUG,
DRAIN PLUG,
TAPÓN DE DRE-
NAJE, BOUCHON DE
VIDANGE
L
5
3
3
5
8
Y
CP
DISCHARGE
DESCARGA
REFOULEMENT
SUCTION
SUCCIÓN
ASPIRATION
SSH S-Group Frame-Mounted – Dimensions and Weights, SSH Armazón Montado – Dimensiones y Pesos,
Dimensions et poids – SSH montée sur palier, groupe S
1,125
1,124
(DIAM.)
For use with ANSI class 150 mating flanges.
Para usar con bridas que casan ANSI clase 150.
À utiliser avec des contre-brides ANSI, classe 150.
TAPÓN DE PURGA,
BOUCHON
D’AMORÇAGE
7
16
DIA. – (4) HOLES,
7
16
DIA. –
(4) AGUJEROS, 4 TROUS, DIAM. :
7
16

Related product manuals