EasyManua.ls Logo

ITT SSH-C - Page 14

ITT SSH-C
36 pages
Print Icon
To Next Page IconTo Next Page
To Next Page IconTo Next Page
To Previous Page IconTo Previous Page
To Previous Page IconTo Previous Page
Loading...
14
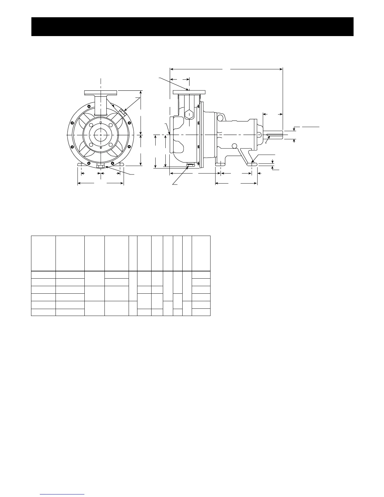
Dimensions and Weights – Bare Pump Only,
Dimensiones y Pesos – Solamente Bomba
Dimensions et poids – pompe nue seulement
For use with ANSI class 150 mating flanges.
Para usar con bridas que casan ANSI clase 150.
À utiliser avec des contre-brides ANSI, classe 150.
DD L X Y
24SH 1½ x 2½-10
6
7
8 6
5
8
125
25SH 2 x 2½-10 2
23
10½
8
15
16
4
125
22SH 2½ x 3-8
3
6
1
8 5
7
8 125
27SH 2½ x 3-10
6
7
8 6
5
8
9
15
16 134
23SH 3 x 4-8
4 3 24
11½
5
136
28SH 3 x 4-10 7
5
8 7
3
8 11
1
8 148
CP
Wt.
(lbs.),
Peso
(libras),
Poids
➀
Suction Discharge
Succión Descarga
Aspir. Refoul.
Pump Size,
Tamaño de
la Bomba,
Dimensions
DC
Max.,
DC
Máx.,
DC
max.
Pump,
Bomba,
Pompe
NOTES:
1. Pumps will be shipped with top verti-
cal discharge as standard. For other ori-
entations, remove casing bolts, rotate
discharge to desired position, replace
and tighten
3
8
–16 bolts to 12 ft./lbs.
2. Motor dimensions may vary with mo-
tor manufacturer.
3. Not for construction purposes.
NOTAS:
1. Las bombas se transportarán con la
descarga vertical superior como estándar.
Para otras orientaciones, retirar los
tornillos de la carcasa, rotar la descarga
a la posición deseada, y apretar
3
8
– 16
tornillos a 12 pies/libras.
2. TODAS las dimensiones en pulgadas.
3. No para propósitos de construcción.
DRAIN PLUG,
TAPÓN DE DRENAJE
BOUCHON DE VIDANGE
6
1
4
3
1
23
1
2
8
1
2
SUCTION,
SUCCIÓN,
ASPIRATION
DISCHARGE,
DESCARGA,
REFOULEMENT
Y
CP
L
DC
MAX.
3
8" GAS THREAD
UNI ISO 228/1
3
8, PAS DU GAZ (UNI ISO 228/1)
DD
6
1
2
8
1
2
1
KEYWAY
3
16
X
3
8
,
CHAVETERO
3
16
X
3
8,
LOGEMENT DE CLAVETTE,
3
16 x
3
8
4 HOLES
9
16 DIA.,
9
16 DIAM. - (4) AGUJEROS,
4 TROUS, DIAM. :
9
16
1
2
1.625
(1,625)
1.624
(1,624)
DIA. (DIAM.)
3
7
8
X
PRIME PLUG,
TAPÓN DE PURGA, BOUCHON D’AMOAGE
SSH M-Group Frame Mounted – Dimensions and Weights, SSH Armazón Montado – Dimensiones y
Pesos, Dimensions et poids – SSH montée sur palier, groupe M
NOTA :
1. L’orifice de refoulement est orienté vers
le haut. Pour l’orienter autrement, enlever
les vis de fixation du corps de pompe,
placer l’orifice dans le sens voulu, puis
reposer et serrer les vis
3
8
– 16 à 12 lbf·pi.
2. Les dimensions sont en pouces, et le
poids, en livres.
3. Les dimensions et le poids du moteur
peuvent varier selon le fabricant.
4. Ne pas utiliser les dimensions pour la
construction si elles ne sont pas certifiées
à cette effet.

Related product manuals