EasyManua.ls Logo

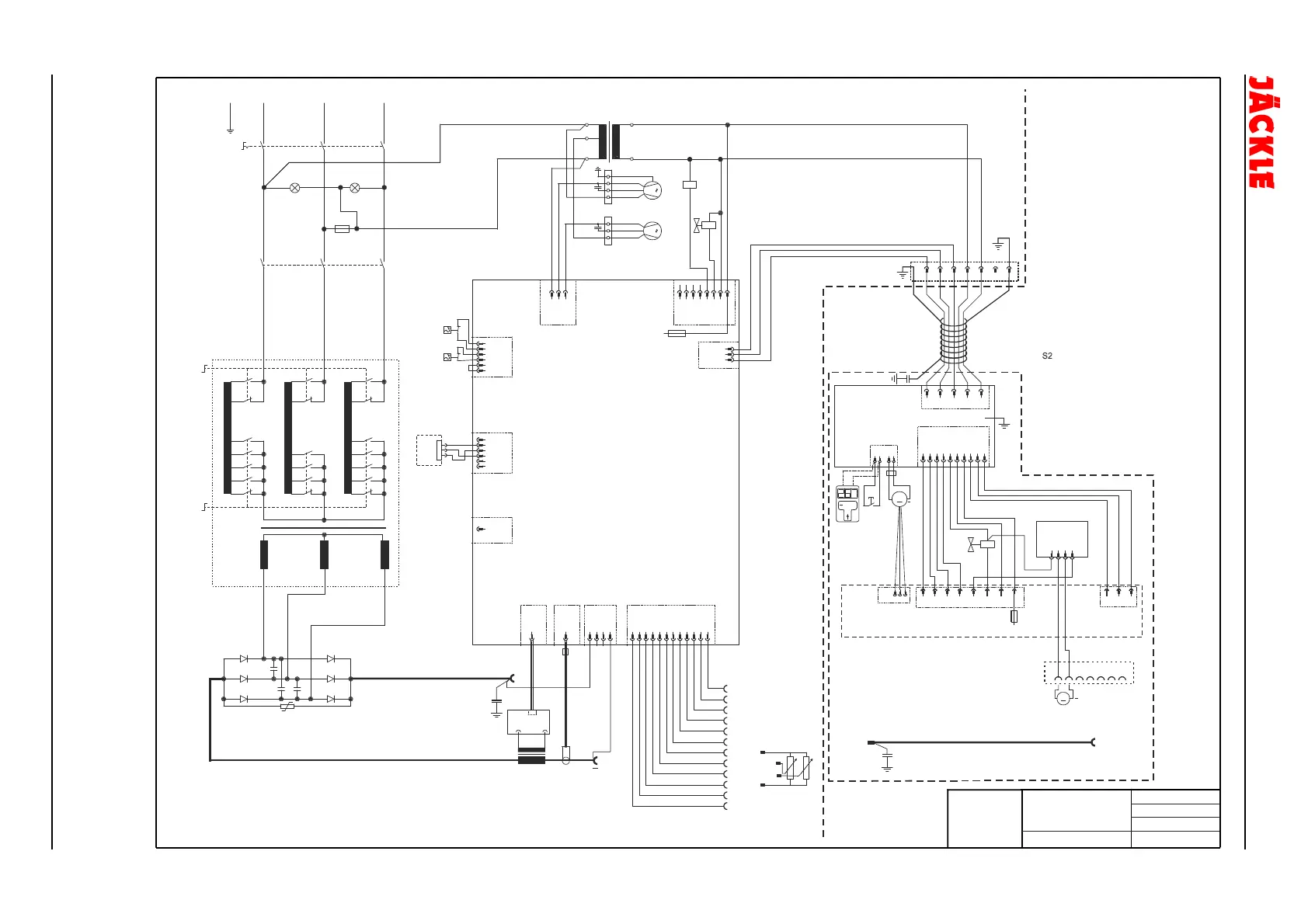
Jackle conMIG 400 - Circuit Diagrams - conMIG 400 (cont.); conMIG 400 Wiring Details

Jackle conMIG 400
Print Icon
To Next Page IconTo Next Page
To Next Page IconTo Next Page
To Previous Page IconTo Previous Page
To Previous Page IconTo Previous Page
Loading...
conMIG 400/445/545
Operating manual Page 63
circuit diagram conMIG 400
J
Ä
C
K
L
E
1
2
3+
GND
#
A7
3
2
1
X7
1
-
1
4
X2
1
-
1
0
X4
A5
1
-
1
4
X3
A6
MC - CHO
1
X10
2
3
4
5
6
3
X5
2
1
A3
MC - AREM
T 1A
FH3
5
4
3
2
1
Z
S
P
2
3
4
1
M
C
1
-
4
6
7
8
5
1
0
9
5
3
4
1
2
7
6
8
M
C
3
,
4
A
1
T
6
,
3
A
F
2
X
1
X
5
3
G
1
H
2
L
A
2
M
C
-
D
V
V
C1
+
C
2
PE
L1 L2 L3
Q1
1 3 5
642
K1
2
1
4
3
6
5
K1
A2
A1
V1
Y1
2
3
4
1
X11
6
7
8
5
1
0
1
1
1
2
9
A
B
C
D
E
F
G
H
J
K
L
M
E
C
1
E
C
2
1
X8
2
3
4
5
6
S3
S2
N
a
m
e
:
D
a
t
u
m
:
4
0
0
V
3
~
5
0
H
z
S
c
h
w
e
i
ß
-
u
n
d
S
c
h
n
e
i
d
t
e
c
h
n
i
k
L1
Y
2
5
4
3
2
1
1
2
3
4
5
6
7
8
2
3
4
1
M
1
M3
5
µ
F
M
1
M2
1
µ
F
X1
X12
S3
T2
4
0
0
V
2
3
0
V
0
V
4
2
V
0
V
F1
T
2
A
+
G
e
r
l
a
c
h
1
7
.
0
2
.
1
2
H2 H1
V
1
T
2
T
1
Y
2
Y
1
A
5
A
6
A
7
Q
1
L
1
M
1
M
2
M
3
S
1
S
3
K
1
Q
1
Q
1
A
2
A
3
A
1
C
1
,
C
2
H
1
,
H
2
N
r
.
:
c
o
n
M
I
G
.
0
0
1
F
1
C2
Ferrit
PE
2
3
4
1
6
7
5
O
p
t
i
o
n
P
u
s
h
-
p
u
l
l
~
+
~
-
+
O
P
T
I
O
N
P
u
s
h
-
p
u
l
l
M
7
6
P
E
-
+
-
+
T
o
r
c
h
M
o
t
o
r
+
S
1
M
F
e
r
r
i
t
4
6
2
I
S
P
O
P
T
I
O
N
:
E
n
c
o
d
e
r
+
-
+
C
i
r
c
u
i
t
d
i
a
g
r
a
m
Workpiece
b
l
u
e
b
l
a
c
k
b
r
o
w
n
b
l
u
e
b
r
o
w
n
b
l
a
c
k
Torch
C
u
r
r
e
n
t
f
l
o
w
C
u
r
r
e
n
t
f
l
o
w
T
-
d
o
w
n
T
-
u
p
T
-
B
T
+
2
4
V
+
1
0
V
U
-
v
o
l
t
a
g
e
1
U
-
v
o
l
t
a
g
e
2
G
N
D
I
-
a
c
t
u
a
l
U
-
a
c
t
u
a
l
T
o
r
c
h
-
h
o
s
e
-
p
a
c
k
S
t
e
p
s
w
i
t
c
h
c
o
a
r
s
e
S
t
e
p
s
w
i
t
c
h
f
i
n
e
R
e
m
o
t
e
c
o
n
t
r
o
l
-
o
p
t
i
o
n
s
F
B
s
o
c
k
e
t
1
7
-
p
o
l
e
w
i
r
e
f
e
e
d
c
a
s
e
D
V
K
S
o
l
e
n
o
i
d
v
a
l
e
m
a
c
h
i
n
e
A
u
x
i
l
i
a
r
y
t
r
a
n
s
f
o
r
m
e
r
C
u
r
r
e
n
t
t
r
a
n
s
f
o
r
m
e
r
S
o
l
e
n
o
i
d
v
a
l
e
w
i
r
e
f
e
e
d
c
a
s
e
R
e
c
t
i
f
i
e
r
P
C
B
M
C
-
C
H
O
(
c
h
o
k
e
r
e
g
u
l
a
t
i
o
n
)
P
C
B
I
-
S
e
n
s
e
(
c
u
r
r
e
n
t
m
e
a
s
u
r
e
m
e
n
t
)
w
a
t
e
r
f
l
o
w
m
e
t
e
r
M
a
i
n
s
w
i
t
c
h
C
h
o
k
e
W
i
r
e
f
e
e
d
m
o
t
o
r
F
a
n
W
a
t
e
r
p
u
m
p
T
o
r
c
h
t
r
i
g
g
e
r
T
h
e
r
m
a
l
s
w
i
t
c
h
r
e
c
t
i
f
i
e
r
T
h
e
r
m
a
l
s
w
i
t
c
h
c
h
o
k
e
C
o
n
t
r
o
l
l
a
m
p
s
m
a
i
n
c
a
p
a
c
i
t
o
r
0
,
1
µ
F
/
6
3
0
V
P
C
B
M
C
-
D
V
V
P
C
B
M
C
-
A
R
E
M
C
o
n
t
r
o
l
u
n
i
t
M
C
3
,
4
o
r
5
M
a
i
n
c
o
n
t
a
c
t
o
r
P
o
w
e
r
s
o
u
r
c
e
c
o
n
M
I
G
P
r
i
m
a
r
y
f
u
s
e
T
o
r
c
h
Flatcable
F
l
a
t
c
a
b
l
e
T
u
c
h
e
l
s
o
c
k
e
t
7
-
p
o
l
e
(
O
p
t
i
o
n
P
u
s
h
-
p
u
l
l
)
O
p
t
i
o
n
D
i
s
p
l
a
y
T
o
r
c
h
Q3
Q2
3
1
27
6 2 10
2 1
4
6
8
5 910
12
17
13
11
9
15
7
5
21
23
19
25
T1
c
o
n
M
I
G
4
0
0

Related product manuals