EasyManua.ls Logo

Jacobsen LF570 - Page 147

Jacobsen LF570
158 pages
Print Icon
To Next Page IconTo Next Page
To Next Page IconTo Next Page
To Previous Page IconTo Previous Page
To Previous Page IconTo Previous Page
Loading...
147
1
2
3
4
6
8
9
10
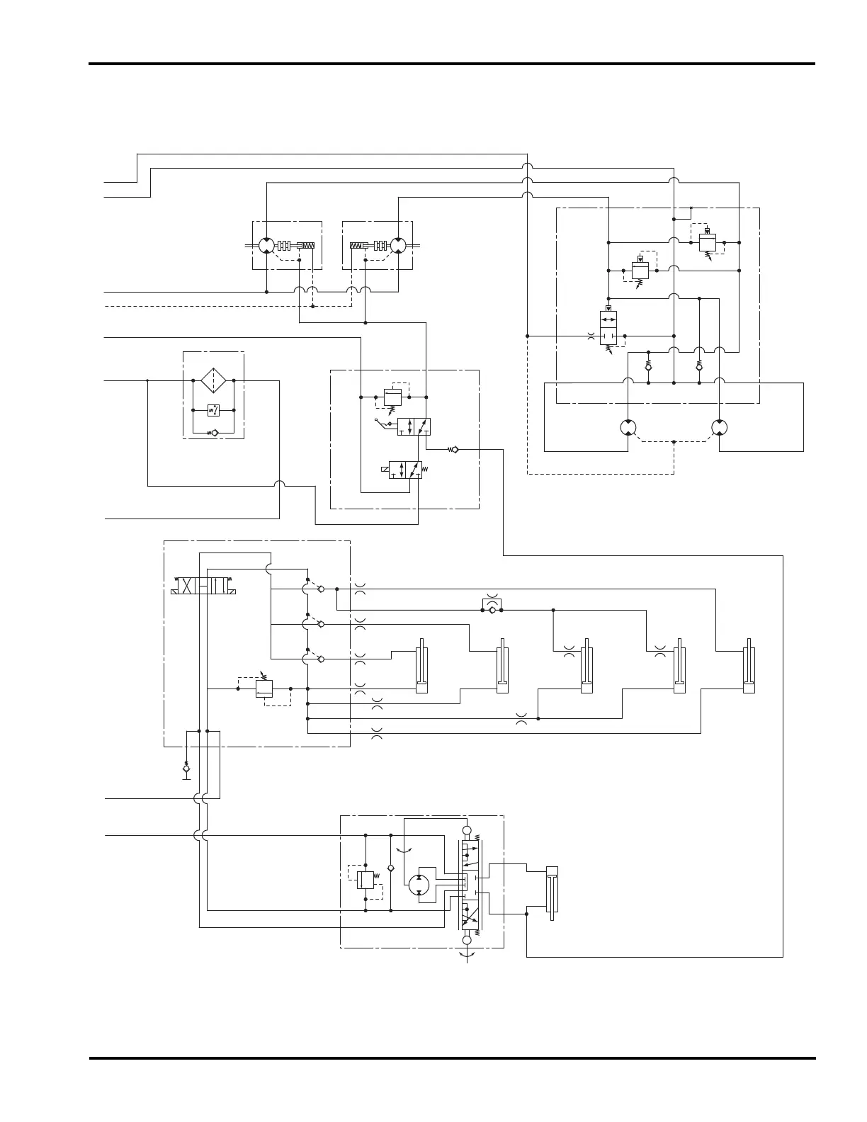
G
CHG
ST
BR
LF RFREV
DRN
LRR
LRF
RRR
RRF
DRN
PTT
Left
Front
Cylinder
Center
Cylinder
Left
Rear
Cylinder
Right
Rear
Cylinder
Right
Front
Cylinder
450 psi
.040
.040
.040
.040
.040
.040
.040
.040
.040
25 psi
25 psi
10 Micron
Charge
Filter
Left Front
Wheel Motor
Right Front
Wheel Motor
Brake
Release
Valve
4WD
Valve
Left Rear
Wheel Motor
Right Rear
Wheel Motor
Lift
Valve
Strg.
Diag
A
B
C
D
E
F
J
G
H
19.23 ci 19.23 ci
350 psi
Steering Valve
LT
L
R
P
T
E
RT
1450 psi
400 psi
400 psi
.055
.026
One Way
Orifice
LF 570

Table of Contents

Related product manuals