EasyManua.ls Logo

Jacobsen TURFCAT-628D - Pedal Controls

Jacobsen TURFCAT-628D
62 pages
To Next Page IconTo Next Page
To Next Page IconTo Next Page
To Previous Page IconTo Previous Page
To Previous Page IconTo Previous Page
Loading...
30
600 Series
Turfcat
Tractors
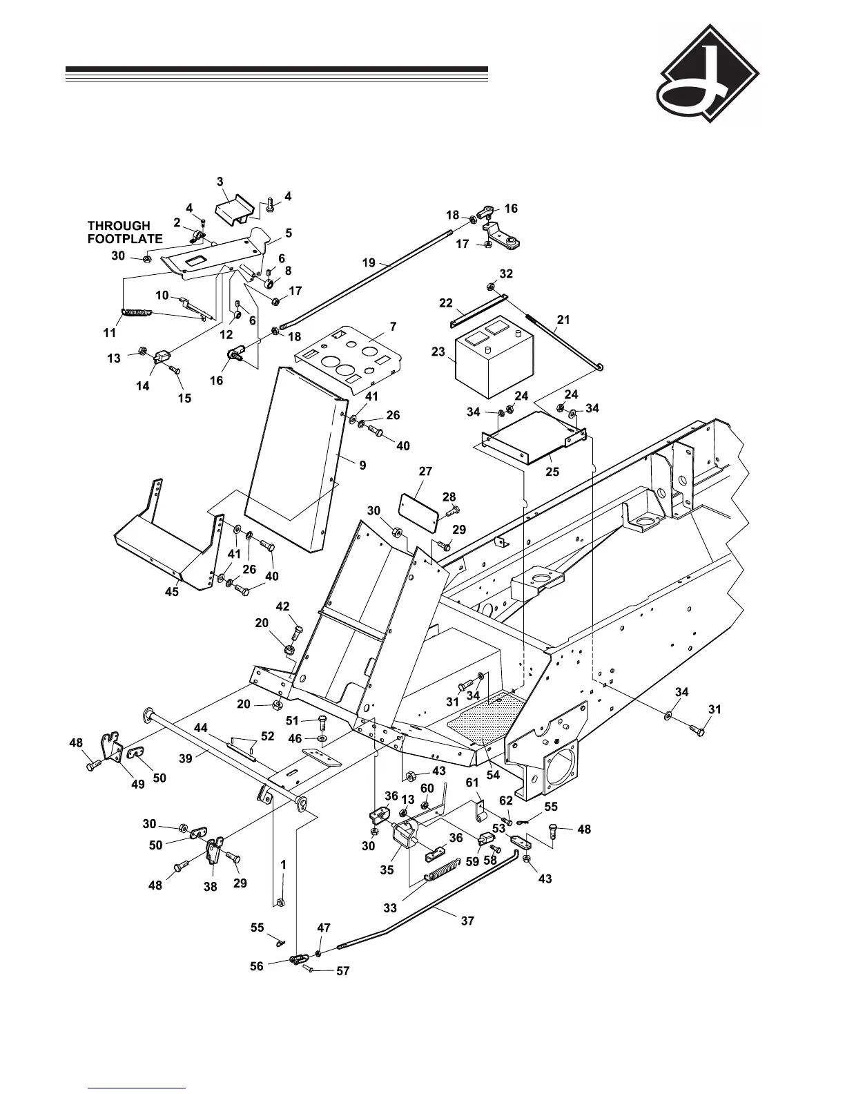
FIGURE 7
PEDAL CONTROLS

Related product manuals