EasyManua.ls Logo

JB-Lighting P7 - English; Dimensions

JB-Lighting P7
Print Icon
To Next Page IconTo Next Page
To Next Page IconTo Next Page
To Previous Page IconTo Previous Page
To Previous Page IconTo Previous Page
Loading...
- 28 -
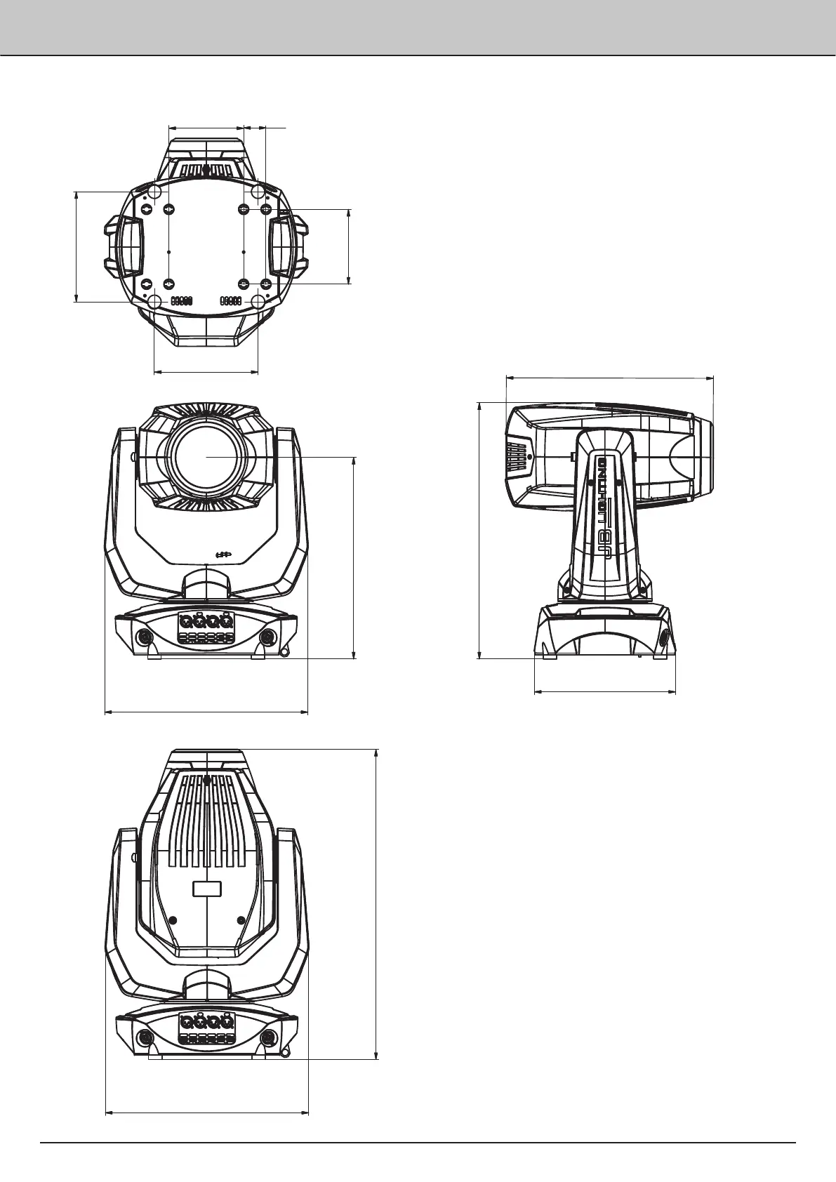
1. Dimensions
Name
Erstellt
Art.-Nr.:
Datum
Prisma
Fax.: 07304 / 9617-99
Tel.: 07304 / 9617-0
Varyscan P4
09.06.2015
MFritsche
Allgemeintoleranzen
ISO 2768-m
Blechdicke:
Material:
Farbe:
Oberfläche:
Abmessung:
Lichtanlagentechnik GmbH
Sallersteig 15, 89134 Blaustein
140
42
264
380
3
7
7
2
0
6
194
1
4
0
3
8
8
4
7
9
Name
Erstellt
Art.-Nr.:
Datum
Prisma
Fax.: 07304 / 9617-99
Tel.: 07304 / 9617-0
Varyscan P4
09.06.2015
MFritsche
Allgemeintoleranzen
ISO 2768-m
Blechdicke:
Material:
Farbe:
Oberfläche:
Abmessung:
Lichtanlagentechnik GmbH
Sallersteig 15, 89134 Blaustein
140
42
264
380
3
7
7
2
0
6
194
1
4
0
3
8
8
4
7
9
Name
Erstellt
Art.-Nr.:
Datum
Prisma
Fax.: 07304 / 9617-99
Tel.: 07304 / 9617-0
Varyscan P4
09.06.2015
MFritsche
Allgemeintoleranzen
ISO 2768-m
Blechdicke:
Material:
Farbe:
Oberfläche:
Abmessung:
Lichtanlagentechnik GmbH
Sallersteig 15, 89134 Blaustein
140
42
264
380
5
8
0
2
0
6
194
1
4
0
Name
Erstellt
Art.-Nr.:
Datum
Prisma
Fax.: 07304 / 9617-99
Tel.: 07304 / 9617-0
Varyscan P4
09.06.2015
MFritsche
Allgemeintoleranzen
ISO 2768-m
Blechdicke:
Material:
Farbe:
Oberfläche:
Abmessung:
Lichtanlagentechnik GmbH
Sallersteig 15, 89134 Blaustein
140
42
264
380
3
7
7
2
0
6
194
1
4
0
3
8
8
4
7
9
English