EasyManua.ls Logo

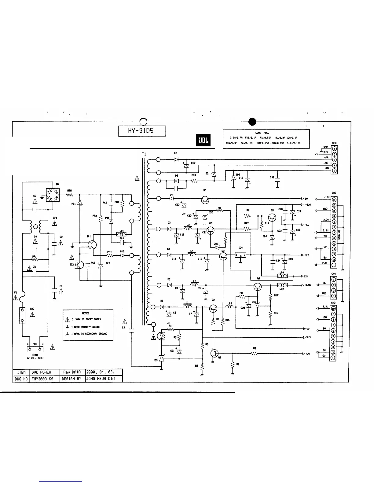
JBL DVD600 - Electrical Parts List; Power Supply Schematic

JBL DVD600
73 pages
Print Icon
To Next Page IconTo Next Page
To Next Page IconTo Next Page
To Previous Page IconTo Previous Page
To Previous Page IconTo Previous Page
Loading...
DVD600
26

Related product manuals