EasyManua.ls Logo

JBL DVD600 - Page 56

JBL DVD600
73 pages
Print Icon
To Next Page IconTo Next Page
To Next Page IconTo Next Page
To Previous Page IconTo Previous Page
To Previous Page IconTo Previous Page
Loading...
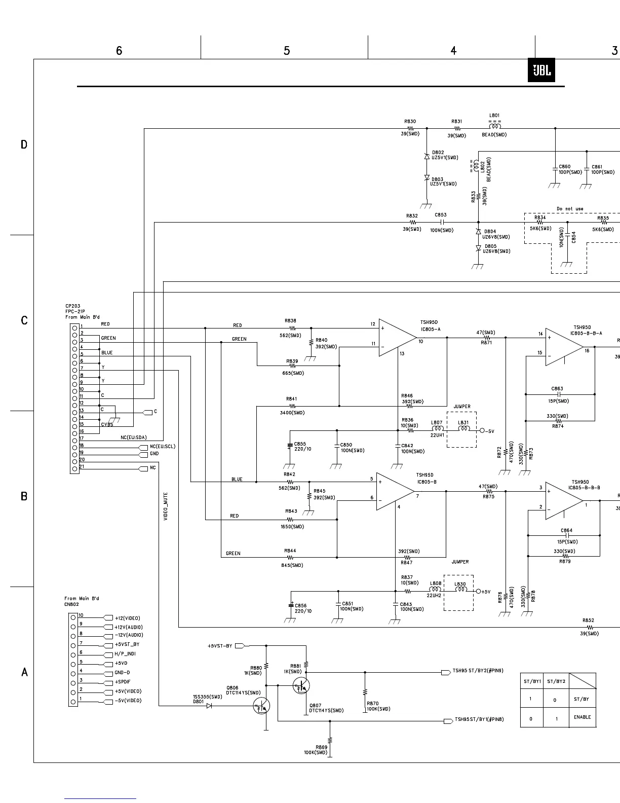
VOUT_JBL_MP-00.sch-1 - Mon Feb 18 14:09:26 2002
DVD600
56

Related product manuals