EasyManua.ls Logo

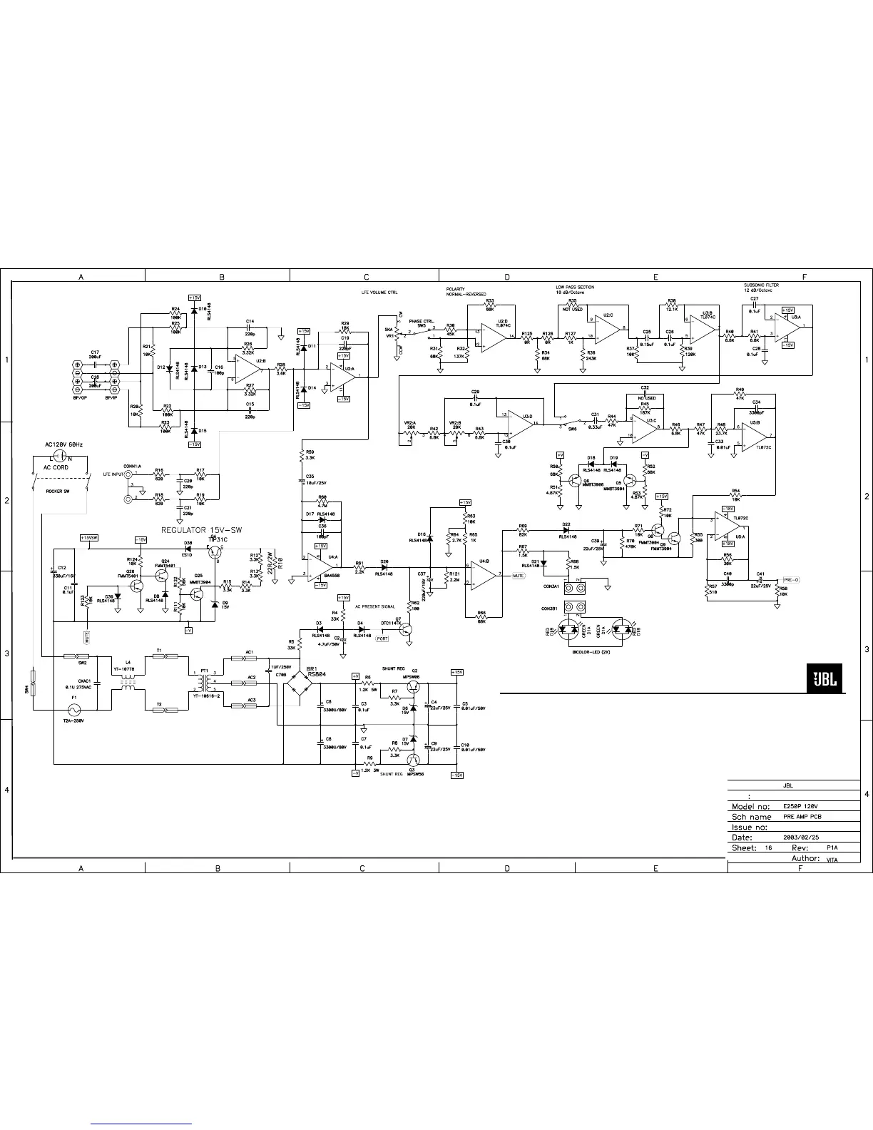
JBL E250P - Pre-Amp & Control Circuits Schematic

JBL E250P
28 pages
Print Icon
To Next Page IconTo Next Page
To Next Page IconTo Next Page
To Previous Page IconTo Previous Page
To Previous Page IconTo Previous Page
Loading...
E250P
26

Related product manuals