EasyManua.ls Logo

JBL EON PowerSub G2 - Block Diagram; About Subwoofers

JBL EON PowerSub G2
15 pages
Print Icon
To Next Page IconTo Next Page
To Next Page IconTo Next Page
To Previous Page IconTo Previous Page
To Previous Page IconTo Previous Page
Loading...
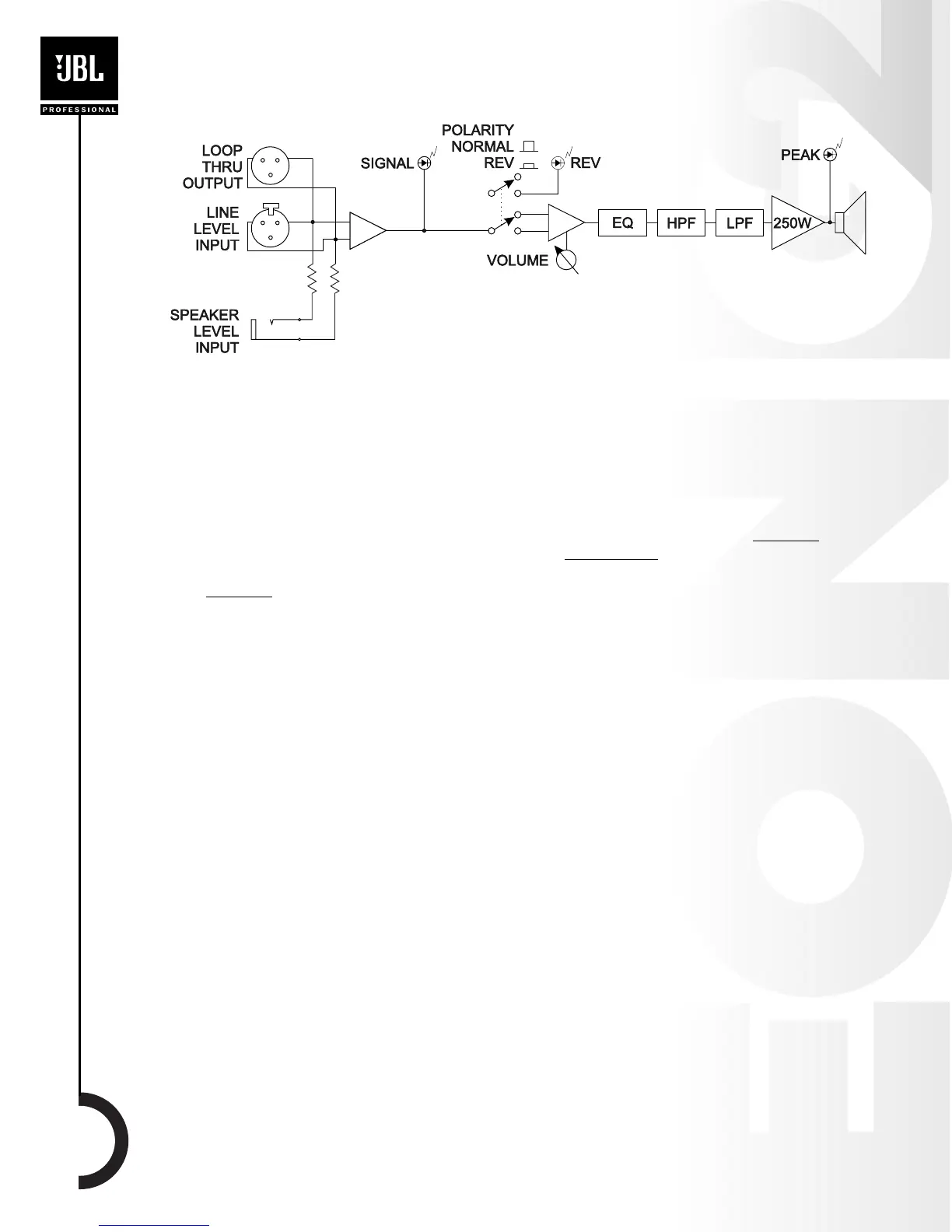
Block Diagram
About Subwoofers
Here are a few bass basics. The ear is far less sensitive to very low frequencies than it is to mid-
range frequencies. A 1,000 Hz sound at 95 dB SPL may seem obnoxious and painful to the ear
while 50 Hz. at 95 dB SPL will seem pleasantly powerful. Musicians, composers, and producers
know this instinctively and create music that contains a great deal of energy below 100 Hz. In order
to properly produce or reproduce this music, an audio system needs to be capable of delivering
much more acoustic output at low frequencies than in the mid band. Note that the capability
of
delivering more output should not be confused with the characteristic of low-frequency equalization
boost. A system that is equalized to be perfectly flat may require as much as 20 dB more maximum
SPL capability
in the low bass. This is because the requirement for the extra energy is already built
into the music. And contemporary dance music may rely even more on low frequencies for its
power and energy.
To meet this need, speaker designers developed specialized speakers called subwoofers.
Subwoofers are intended to work below 150 Hz. In fact, most subwoofers will sound downright bad
if you try to use them to reproduce sound above 200 Hz. There are even sub-species of subwoofers.
Some subwoofers are designed for extreme low–frequency extension and will go down as low as
20 Hz. This type of performance is usually more useful for cinema effects than for music. A sub that
goes down this low will be very large and probably require a lot of amplifier power. Another variety
of subwoofer that may be more appropriate and practical for portable music applications concen-
trates on delivering “punch”. Punch is what you experience when the kick drum hits you in the
chest. Much of what we think of as punch is in the 80 Hz. region.
Until recently, adding a subwoofer to a system was a complicated matter that required external
crossover networks, extra power amplifiers, and of course the subwoofer itself. The EON Sub G2
simplifies this task by combining all this into a single, simple and light weight system.
8

Related product manuals