EasyManua.ls Logo

JBL ES150PW - SYSTEM CONNECTIONS; Connecting for Wireless Applications; Connecting for Wired Applications

JBL ES150PW
8 pages
Print Icon
To Next Page IconTo Next Page
To Next Page IconTo Next Page
To Previous Page IconTo Previous Page
To Previous Page IconTo Previous Page
Loading...
5
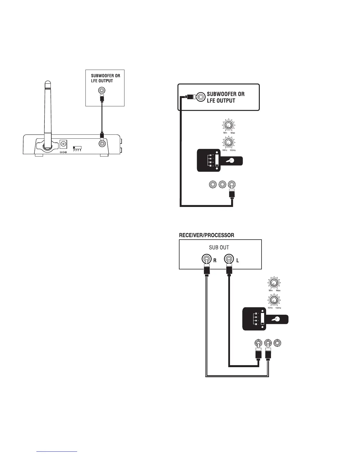
SYSTEM CONNECTIONS
Choose either Wireless or Wired connection, then follow the appropriate instructions.
If your receiver/processor does not contain a Dolby Digital or DTS processor
but has subwoofer outputs:
Line InSub In
LFE
L
R
Crossover
[Hz]
Level
Wireless
ID Code
ffOnO
Low-Pass
Crossover
[Hz]
Level
Line InSub In
LFE
L
R
ffOnO
Low-Pass
Wireless
ID Code
ffOnO
Low-Pass
WIRED
Connecting the Subwoofer for Wired Applications
If you have a Dolby
®
Digital or DTS
®
receiver/processor with a low-frequency
effects (LFE) or subwoofer output:
NOTE: If your receiver/processor has only one sub out, you may use
either the L or R input.
WIRELESS
Connecting the Subwoofer for Wireless Applications
1. Connect a subwoofer cable from the subwoofer or LFE output of your receiver
to the Sub In
C
on the transmitter.
2. Plug the transmitter module’s power supply into the wall outlet, and connect
the included power cord to the transmitter
A
. Make sure the Transmitter
Antenna
is extended upward.
3. Set the ID code on the transmitter and subwoofer (
B
and
) to the
same position, as described on page 6. When connected properly, the LED
on the top of the subwoofer will be orange.
4. Set the Low-Pass Selector
¢
to the “Off” position.
NOTES:
You may also connect a variable full-range output from an A/V receiver or
processor, such as a preamp output or second-room output. In this case,
set the Low-Pass Selector
¢
to the “On” position and set the crossover
adjustment as described on page 6.
Some receivers have two subwoofer outputs. In that case, use either connector.
Sub In
ID
CODE
DC18V
1234
JBLP2706_ES150-250PW-120om 5/20/08 4:15 PM Page 5

Other manuals for JBL ES150PW

Related product manuals