EasyManua.ls Logo

JBL HARMONY - Page 42

JBL HARMONY
57 pages
Print Icon
To Next Page IconTo Next Page
To Next Page IconTo Next Page
To Previous Page IconTo Previous Page
To Previous Page IconTo Previous Page
Loading...
34
CD Player/Tuner Stereo System HARMONY
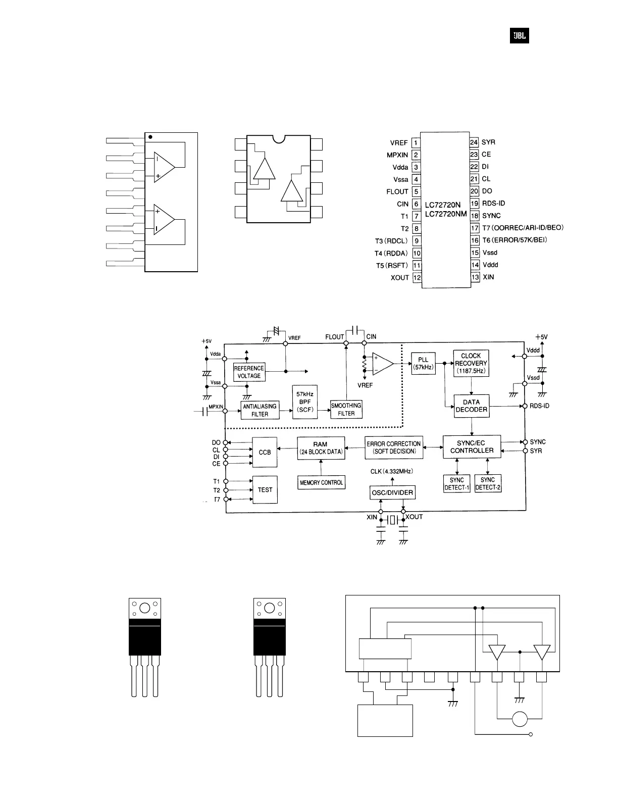
IC301-305, 307, 804, 805, 904
NJM4558L - Dual Op-Amp
IC809 - BA6218 - Motor Driver
V+
B OUTPUT
B -INPUT
B +INPUT
V-
A +INPUT
A -INPUT
A OUTPUT
A
B
1
5
2
6
3
7
8
4
1
2
3
4
8
7
6
5
A
B
-
-
+
+
B OUTPUT
A OUTPUT
B -INPUT
A -INPUT
B +INPUT
A +INPUT
V-
V+
516273894
Logic Control
CONTROL
LOGIC
MOTOR
DRIVER
POW GND
V
CC
GND
M
1122
33
1
2
3
INPUT
COMMON
OUTPUT
1
2
3
INPUT
COMMON
OUTPUT
+8V REGULATOR
IC901 - MC7808
+6V REGULATOR
IC903 - MC7806
IC101 - LC72720NM ( )RSDS 230V ONLY
IC101 - LC72720NM
()RSDS 230V ONLY
T3 to T7

Other manuals for JBL HARMONY

Related product manuals