EasyManua.ls Logo

JBL PSW-D110 - SCHEMATIC DIAGRAM 1 of 2

JBL PSW-D110
28 pages
Print Icon
To Next Page IconTo Next Page
To Next Page IconTo Next Page
To Previous Page IconTo Previous Page
To Previous Page IconTo Previous Page
Loading...
27
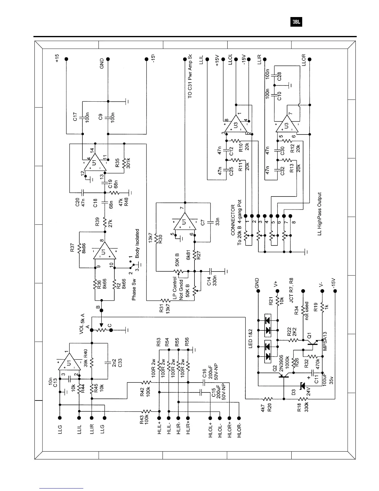
Amplifier/Subwoofer PSW-D110/DPS-10
PWS-D110/DPS-10 SCHEMATIC 1 of 2
PWS-D1
10/DPS-10
Schematic
1
o
f
2
5
5
4
4
3
3
2
2
1
1
A
A
B
B
C
C
D
D
E
E
F
F
G
G

Other manuals for JBL PSW-D110

Related product manuals