EasyManua.ls Logo

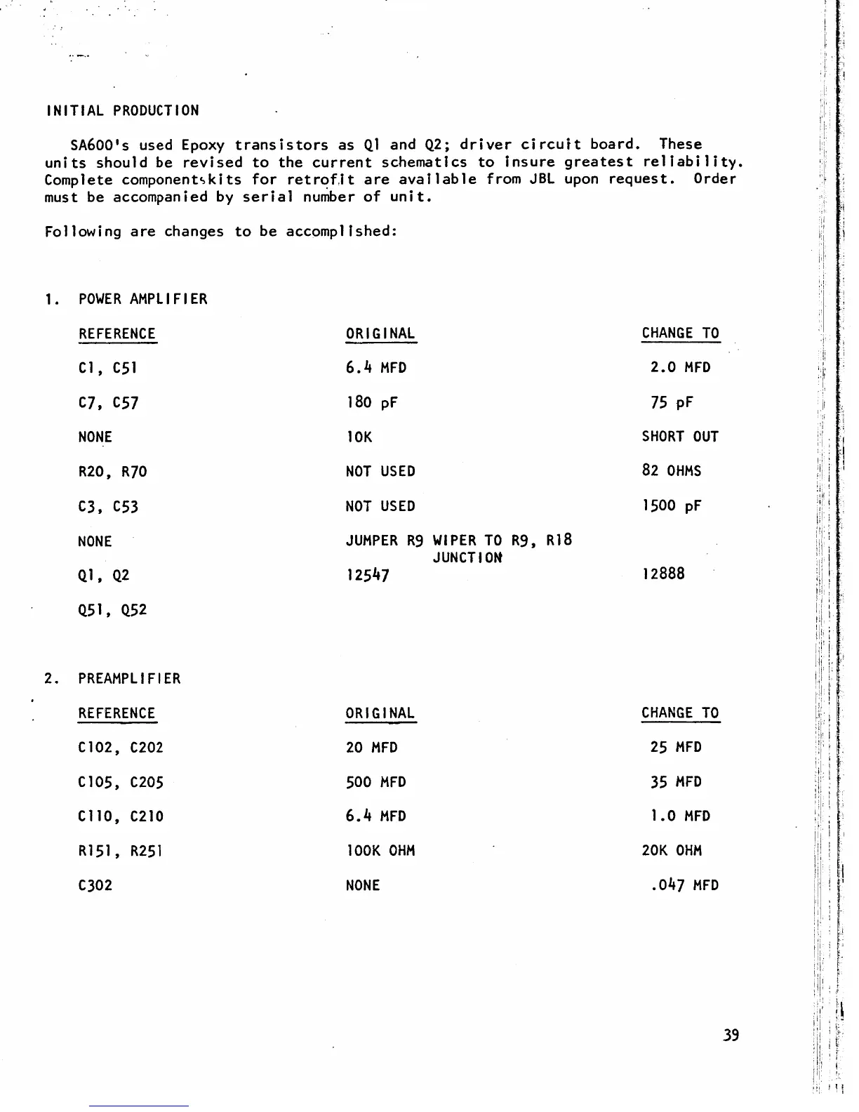
JBL SA660 - Initial Production; Preamplifier

JBL SA660
58 pages
Print Icon
To Next Page IconTo Next Page
To Next Page IconTo Next Page
To Previous Page IconTo Previous Page
To Previous Page IconTo Previous Page
Loading...

Table of Contents

Related product manuals