EasyManua.ls Logo

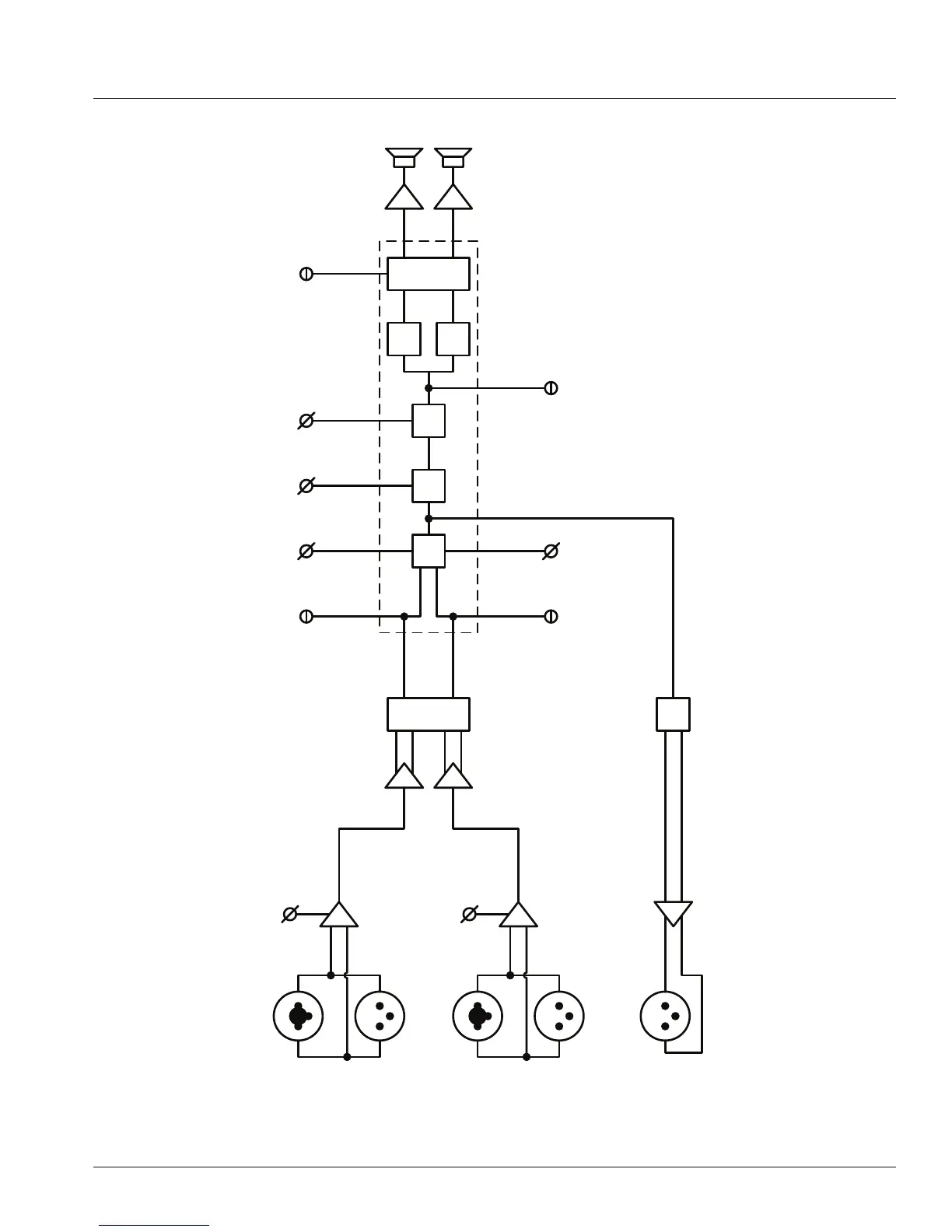
JBL SRX818SP - SRX812 P, SRX815 P Block Diagram

JBL SRX818SP
45 pages
Print Icon
To Next Page IconTo Next Page
To Next Page IconTo Next Page
To Previous Page IconTo Previous Page
To Previous Page IconTo Previous Page
Loading...
13
+3)
/3)
(4 /,0$'&
'$&

0,&
/,1(
&21680(5
0,&
/,1(
&21680(5
+)
/)
6,*1$/
6,*1$/ /(9(/
/(9(/ 35(6(76
*$,1
0$67(5
6,*1$/
/,0,7
'63
&+
,1
,1
287
287
&+
0,;
SRX812P, SRX815P - BLOCK DIAGRAM

Other manuals for JBL SRX818SP

Related product manuals