EasyManua.ls Logo

jcb 210SU - Page 192

jcb 210SU
414 pages
Print Icon
To Next Page IconTo Next Page
To Next Page IconTo Next Page
To Previous Page IconTo Previous Page
To Previous Page IconTo Previous Page
Loading...
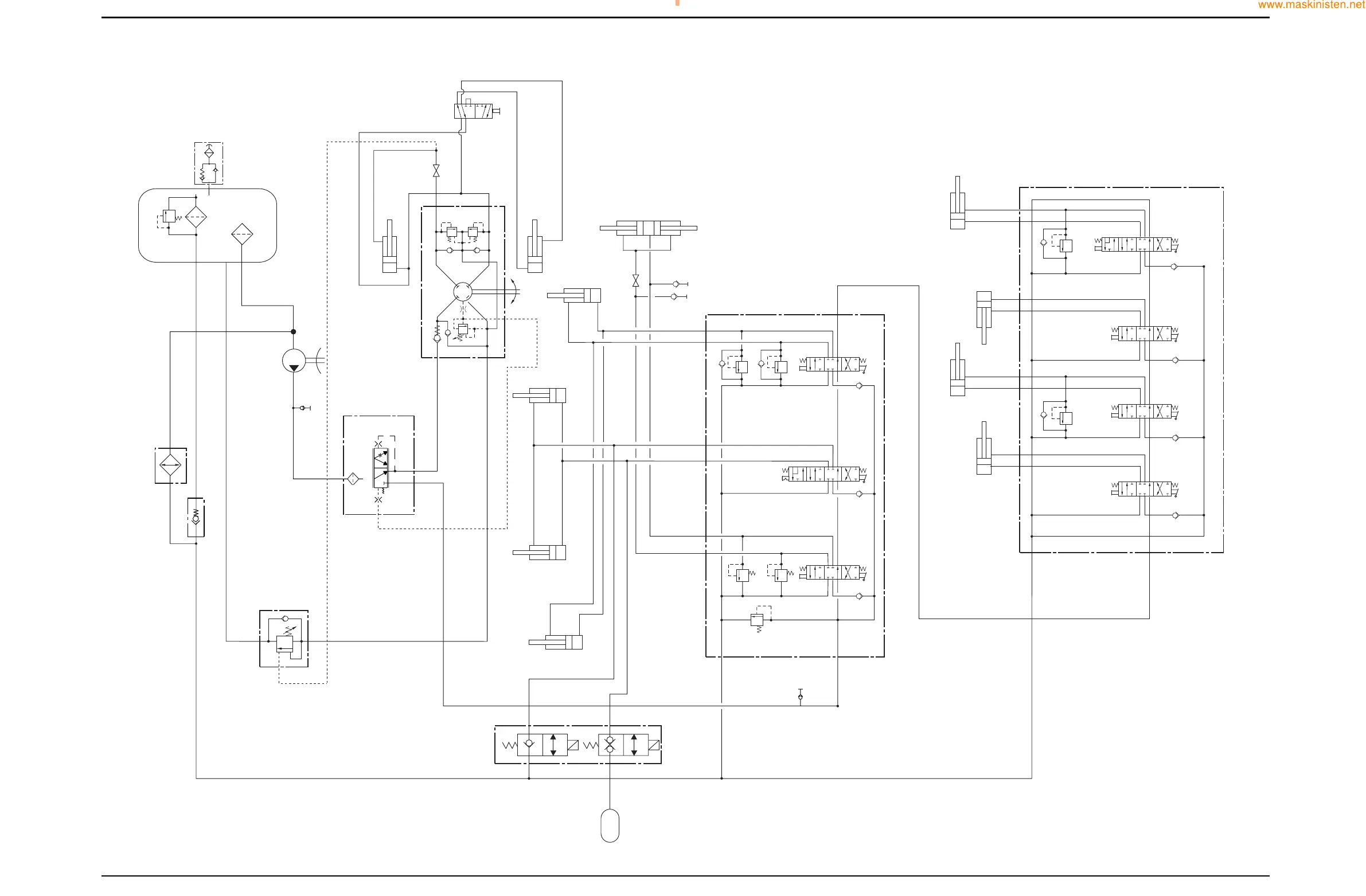
Hydraulics
Circuit Schematic
Section E Section E
9803/7130
Issue 1
3 - 21
3 - 21
1
3
3A
29
4E
4A
4B
4C
4D
4G
4G
4G
4G
4F
28
27
26
3B
3C
3D
3E
3F
3G 3H
3J
1C
7
16
17
18
19
21
22
9
9A
9B
10
30
40
2
1211
20
1A
1B
3J
3J
8
T
ACC
P1
P2
P
V
P
C
EF
CF
LS
PT
LS
R
5
8
7A
13
14
L
6
A390720
A390720
www.WorkshopManuals.co.uk
Purchased from www.WorkshopManuals.co.uk
www.maskinisten.net

Table of Contents

Related product manuals