EasyManua.ls Logo

jcb 210SU - Page 251

jcb 210SU
414 pages
Print Icon
To Next Page IconTo Next Page
To Next Page IconTo Next Page
To Previous Page IconTo Previous Page
To Previous Page IconTo Previous Page
Loading...
61 - 1
Section E Hydraulics
9803/7130
Section E
61 - 1
Issue 1
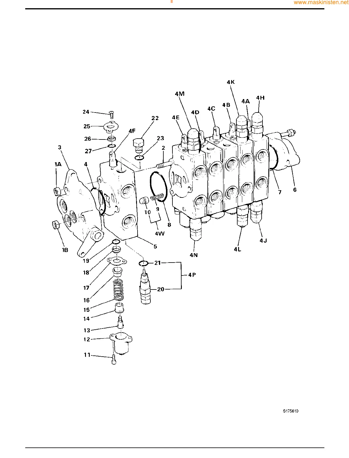
Excavator Valve
www.WorkshopManuals.co.uk
Purchased from www.WorkshopManuals.co.uk
www.maskinisten.net

Table of Contents

Related product manuals