EasyManua.ls Logo

jcb ROBOT 165 - Page 237

jcb ROBOT 165
254 pages
Print Icon
To Next Page IconTo Next Page
To Next Page IconTo Next Page
To Previous Page IconTo Previous Page
To Previous Page IconTo Previous Page
Loading...
Section E
Section E
Hydraulics
9803/8500 Issue 1
30 - 13
30 - 13
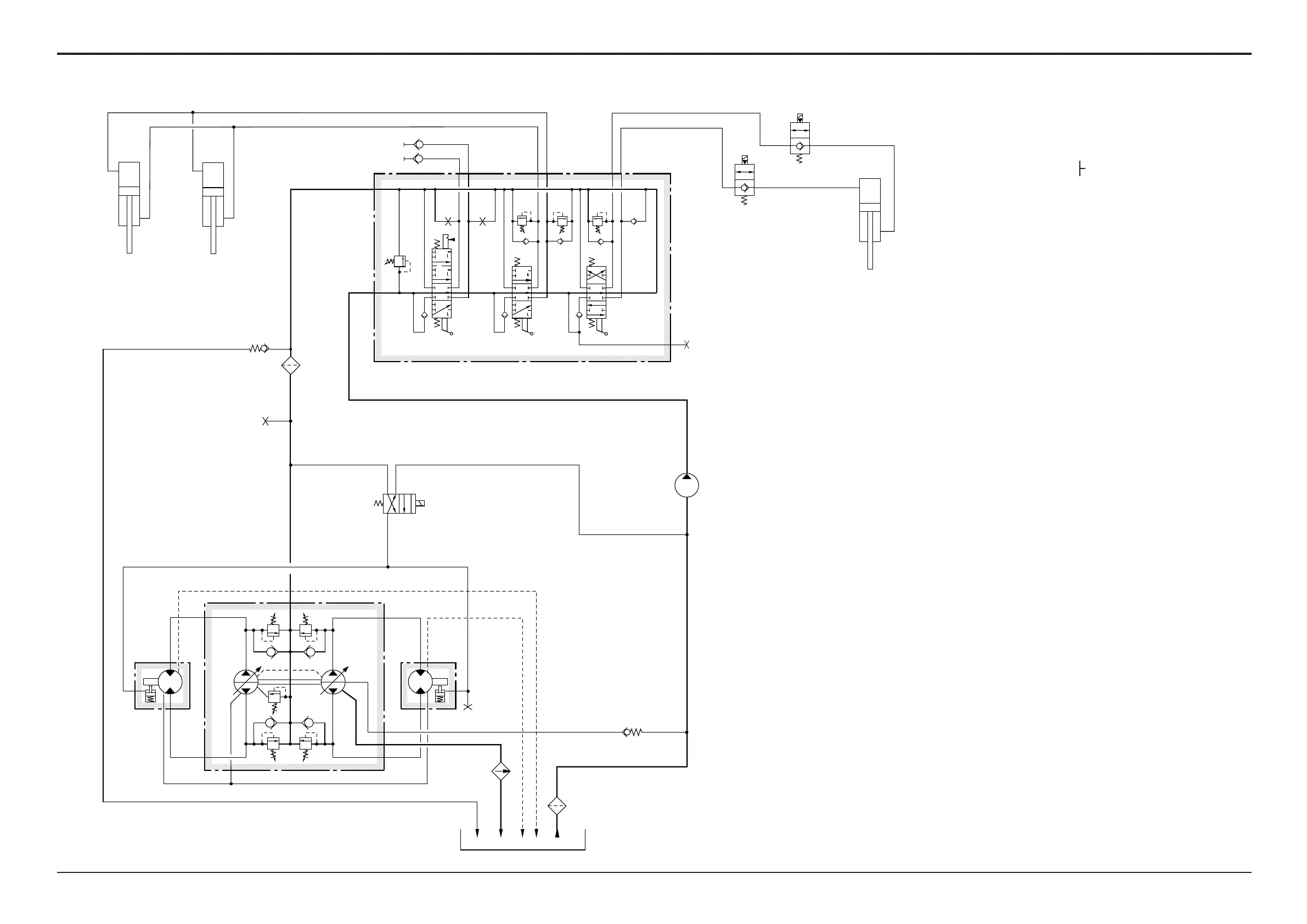
Schematic Circuit
Macchine con comandi manuali dal n. 678000
Legenda componenti - Circuito normale
C Scambiatore di calore
F1 Filtro
P1 Pompa principale
P2 Pompa principale
P3 Pompa ad ingranaggi ausiliaria
M1 Motore comando trasmissione sinistro
M2 Motore comando trasmissione destro
S1 Filtro di aspirazione
T Serbatoio
1 Distributore freno
2 Gruppo valvolare caricatore principale
2A Stelo distributore comando organi ausiliari
2B Stelo distributore comando rovescio
2C Stelo distributore comando sollevamento
2D Valvola principale
2E Valvole di sovrappressione ausiliarie (se richieste) per attrez-
zatura.
2F Valvola ausiliaria
2G Valvola ausiliaria
2H Valvola ausiliaria
2J Valvola anticavitazione
2X Raccordi di prova pressione
3 Valvola di esclusione
4 Cilindro comando sollevamento
5 Cilindro comando compensazione
6 Cilindro comando rovescio
7 Valvola di sovrappressione di by-pass filtro e scambiatore olio
8 Valvola di ritegno (2 bar)
Nota 1: Il circuito del neutro è evidenziato dalla linea in grassetto.
Collegate in tandem
A257153-1
1
2
4
5
6
7
F1
2X
M1
P1
P2
M2
P3
8
T
S1
C
2X
2A
2B
2C
2D
2E
2F
2G
2X
2H
2J
3
3
2E

Related product manuals