EasyManua.ls Logo

jcb ROBOT 165 - Page 238

jcb ROBOT 165
254 pages
Print Icon
To Next Page IconTo Next Page
To Next Page IconTo Next Page
To Previous Page IconTo Previous Page
To Previous Page IconTo Previous Page
Loading...
Section E Section E
Hydraulics
9803/8500
Issue 1
30 - 14
30 - 14
A257153-2
1
2
9
4
5
6
7
F1
2X
M1
P1
P2
M2
P3
8
T
S1
2X
10
2A
2B
2C
2D
2E
2F
2G
2X
11
2H
2J
F2
S2
12
11A
2X
C
3
3
2E
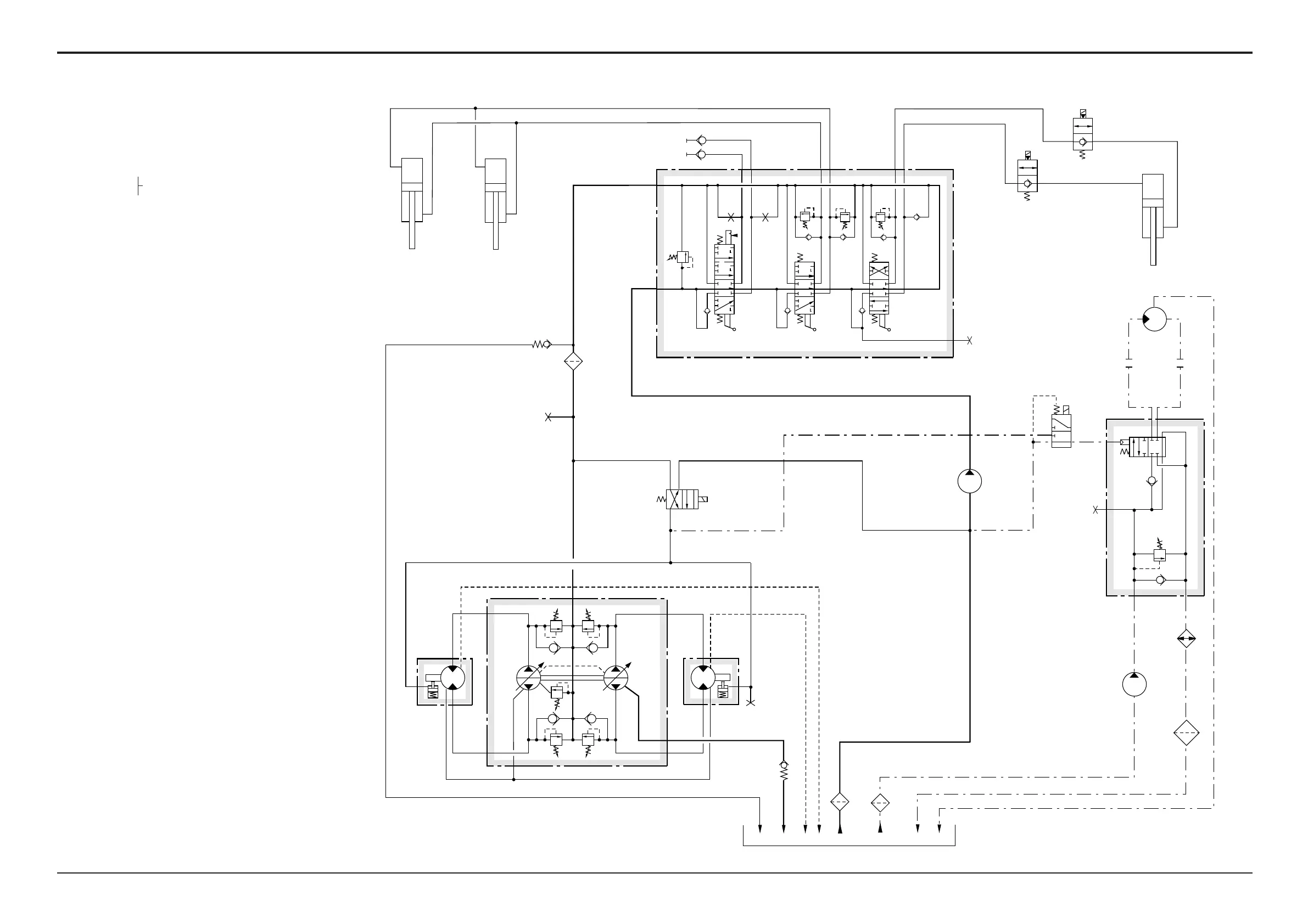
Schematic Circuit
Manual machines from serial no. 678000
Component Key - High-flow Circuit
C Cooler
F1 Filter
F2 High-flow Filter
P1 Main Pump
P2 Main Pump
P3 Auxiliary Gear Pump
M1 Left Hand Drive Motor
M2 Right Hand Drive Motor
S1 Suction Strainer
S2 High-flow Pump Suction Strainer
T Tank
1 Brake Valve
2 Main Loader Valve Block
2A Auxiliary Spool
2B Crowd Spool
2C Lift Spool
2D Main Relief Valve (MRV)
2E Attachment Auxiliary Relief Valves (if required)
2F Auxiliary Relief Valve (ARV)
2G Auxiliary Relief Valve (ARV)
2H Auxiliary Relief Valve (ARV)
2J Anti-cavitation Valve
2X Pressure Test Points
3 Cutout Valve
4 Lift Ram
5 Compensating Ram
6 Crowd Ram
7 Filter By-pass
8 Check Valve (2 bar)
9 High-flow Pump
10 High-flow Control Valve
11 High-flow Valve
11A High-flow Circuit Relief Valve
12 Attachment Motor
Note 1: Neutral Circuit shown in bold line
Run in Tandem

Related product manuals