EasyManua.ls Logo

Jet-tech F18 - Wash System Overview; Plumbing and Diagrams

Jet-tech F18
33 pages
Print Icon
To Next Page IconTo Next Page
To Next Page IconTo Next Page
To Previous Page IconTo Previous Page
To Previous Page IconTo Previous Page
Loading...
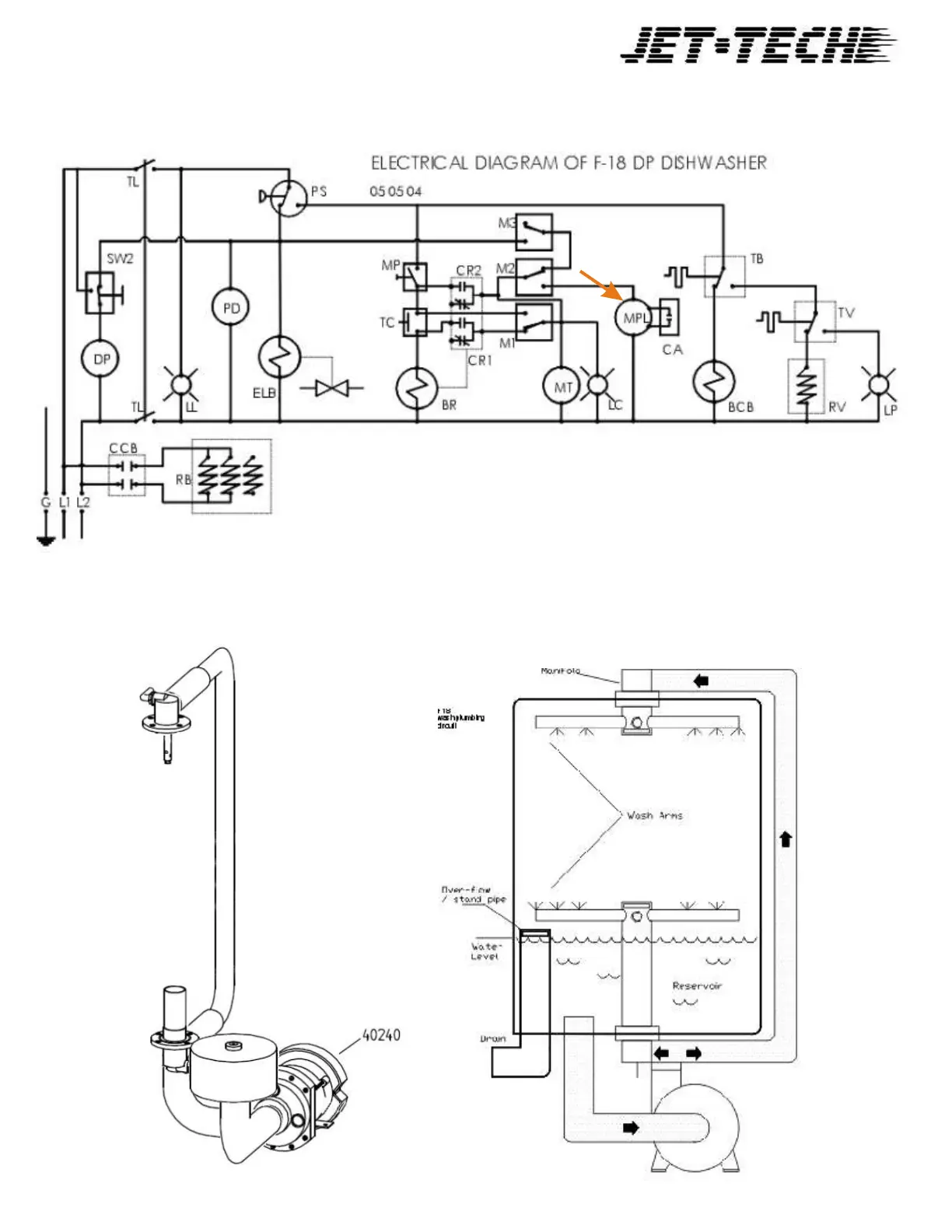
WASH SYSTEM
17
TL- Power Switch
PS- Pressure Switch
SW2- Drain Switch
CR1 + CR2 - Micro Relay Switches
M1 + M2 + M3: Timer Cam Switches
TC- Start Switch
MP - Door Switch
TB - Thermostat
TV - Thermostat
CCB - Booster Contactor Contacts
ELB - Solenoid Coil
PD - Soap Pump
BR - Micro Relay coil
BCB - Booster Contactor coil
RV - Wash Tank Heater Element
RB - Booster Tank Heater Element
DP - Drain Pump
MT - Timer Motor
MPL - Wash Pump Motor
LL - Indicator Light - Power
LC - Indicator Light - Wash Cycle
LP - Indicator Light - Temperature Ready
CA - Capacitor - wash pump
1 888 275 4538 - 611
514 737 9701 - 611
FAX 514 737 2792

Related product manuals