EasyManua.ls Logo

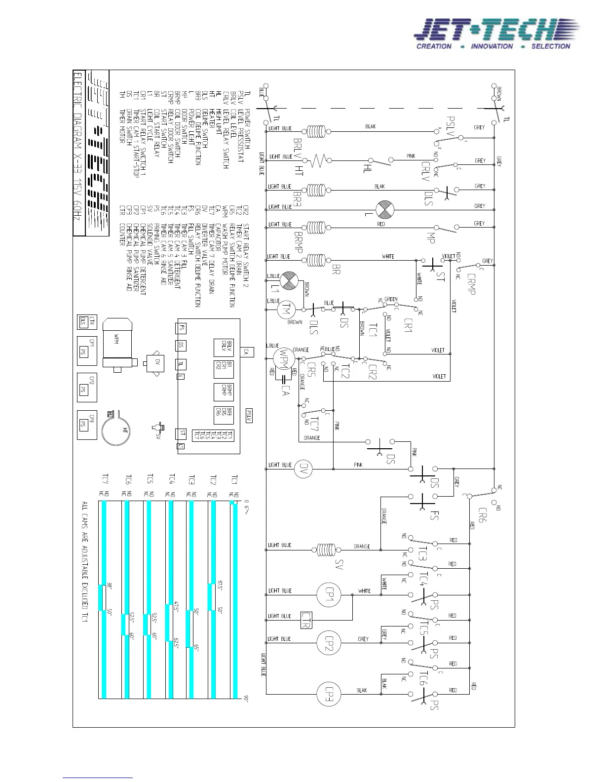
Jet-tech X-33 - Electrical Schematics

Jet-tech X-33
16 pages
Print Icon
To Next Page IconTo Next Page
To Next Page IconTo Next Page
To Previous Page IconTo Previous Page
To Previous Page IconTo Previous Page
Loading...
Electrical Schematics
1 888 275 4538 - 611
514 737 9701 - 611
FAX 514 737 2792
12

Related product manuals