EasyManua.ls Logo

JHPK H30 - Technical Diagrams and Parts; Assembling and Parts List for Booster Pump

Default Icon
36 pages
Print Icon
To Next Page IconTo Next Page
To Next Page IconTo Next Page
To Previous Page IconTo Previous Page
To Previous Page IconTo Previous Page
Loading...
Insulation Equipment + Supply 30 InsulationEquipmentSupply.com
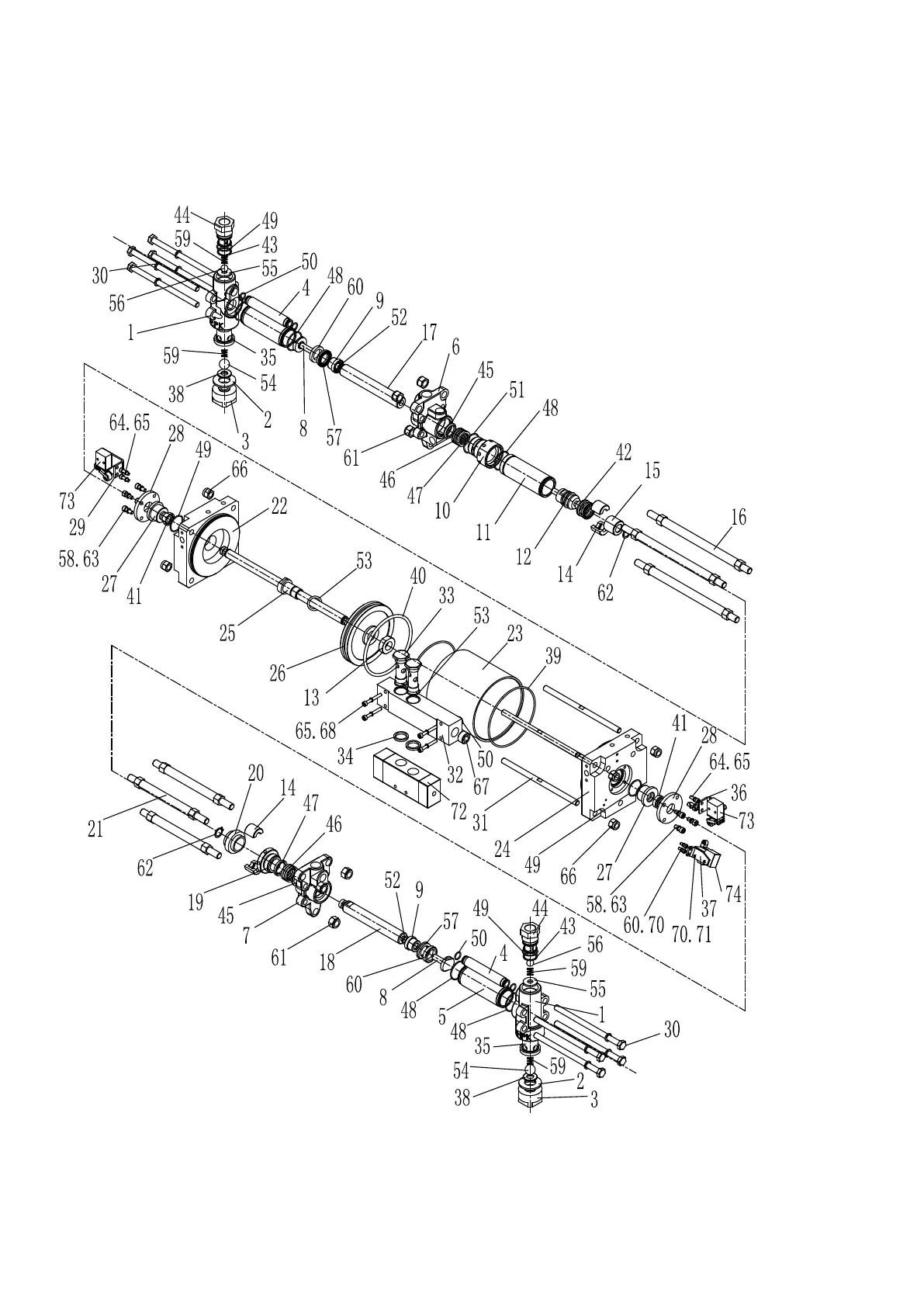
VII. Assembling and exploded view and list of parts for booster pump
For easiest parts selection, visit InsulationEquipmentSupply.com to view our interactive parts selectors.

Table of Contents