EasyManua.ls Logo

Johnson Controls YICM008B21S - Removing Printed Circuit Board

Johnson Controls YICM008B21S
152 pages
Print Icon
To Next Page IconTo Next Page
To Next Page IconTo Next Page
To Previous Page IconTo Previous Page
To Previous Page IconTo Previous Page
Loading...
MAINTENANCE
4-8
SM-18003
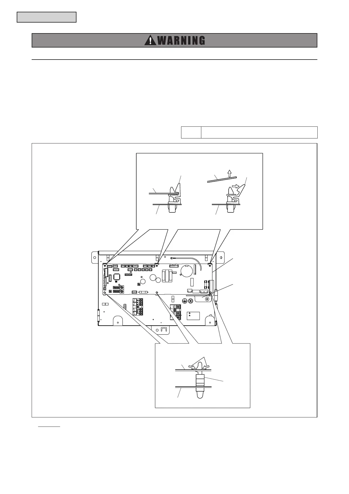
4.2.5 RemovingPrintedCircuitBoard
(1) RemovetheelectricalboxcoveraccordingtoSection4.2.2“RemovingElectricalBoxCover.”
(2) DisconnectallwireconnectorsfromtheindoorunitPCB.
(3) Removethescrewforearthwire.
(4) RemovethescrewthenremovethePCBcover.
(5) TheindoorunitPCBisxedby6holders.PulloutPCBfromeachholderasshowninthegure.
TURN OFF all power source switches.
NOTES:
1. DonottouchelectricalcomponentsontheindoorunitPCB.
2. DonottoapplyanexcessiveforcetotheindoorunitPCBnorbendit.Otherwise,itmaycausefailureof
theindoorunitPCB.
3. WhenattachingtheindoorunitPCB,makesurethattheconnectorsareconnectedcorrectly.Ifnot,the
indoorunitPCBmaybedamaged.Inaddition,securelyattachthescrewsforeachwire.
PCB
Push Holder
Pull out PCB
PCB
Holder
Holder
Holder
Electrical Box
PCB
Electrical Box
Electrical Box
Pinch here with long-nose piler
to remove PCB.
PCB
PCB Cover
Tool PhillipsScrewdriver,Long-nosePlier

Table of Contents

Related product manuals