EasyManua.ls Logo

JUKI MS-1190 - Infilatura Della Testa Della Macchina

JUKI MS-1190
96 pages
Print Icon
To Next Page IconTo Next Page
To Next Page IconTo Next Page
To Previous Page IconTo Previous Page
To Previous Page IconTo Previous Page
Loading...
– 4 –
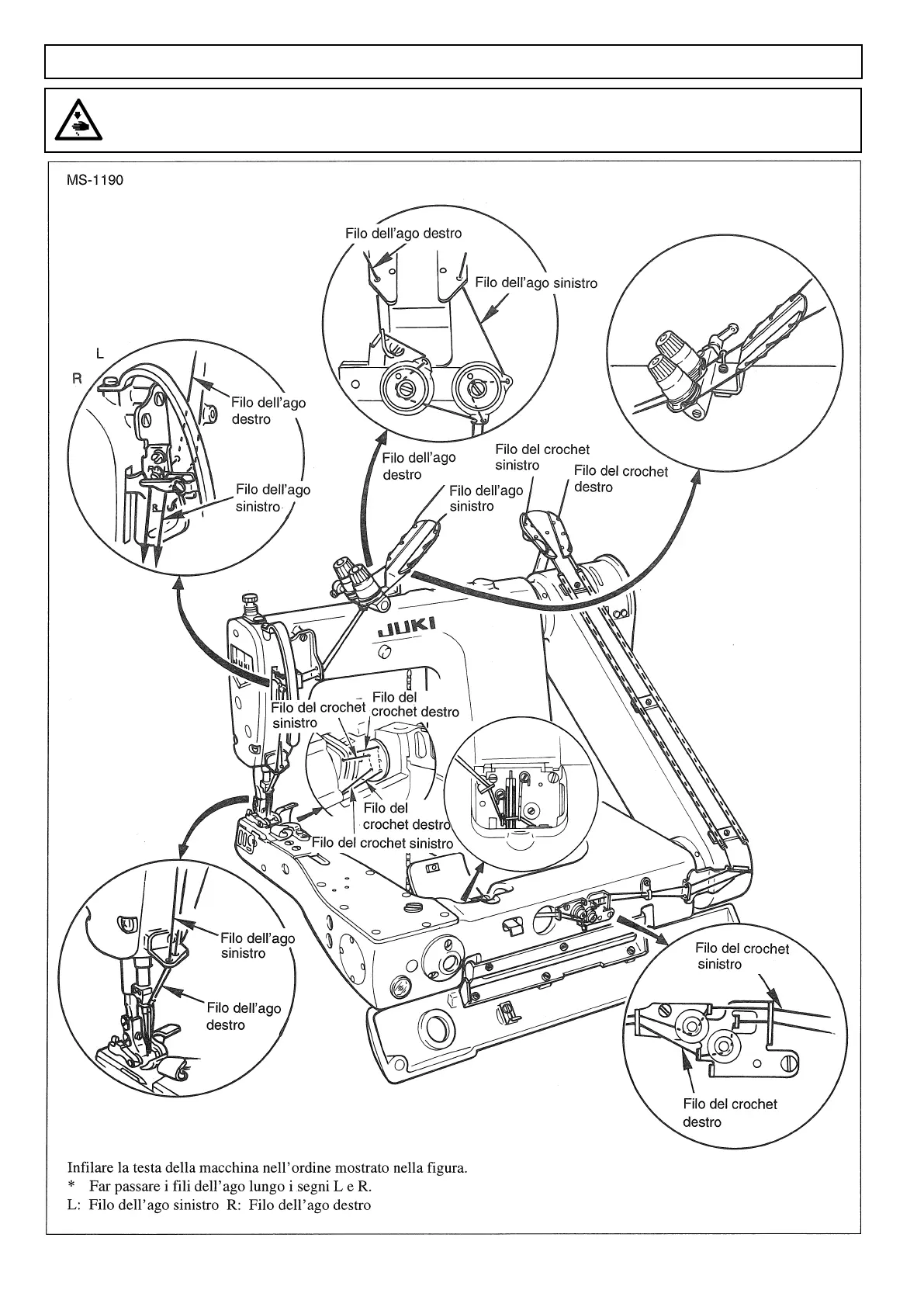
AVVERTIMENTO :
Per evitare possibili ferimenti causati dall’avvio improvviso della macchina per cucire, prima di effettuare le seguenti oper-
azioni spegnere l’interruttore dell’alimentazione ed assicurarsi che il motore abbia completamente cessato di ruotare.
7. INFILATURA DELLA TESTA DELLA MACCHINA

Table of Contents

Other manuals for JUKI MS-1190

Related product manuals