EasyManua.ls Logo

JVC CA-C55BK - IC Descriptions - Driver, Reset IC, and OP Amp; BA6393 FP, MN1281, M5218 AL IC Details

JVC CA-C55BK
144 pages
Print Icon
To Next Page IconTo Next Page
To Next Page IconTo Next Page
To Previous Page IconTo Previous Page
To Previous Page IconTo Previous Page
Loading...
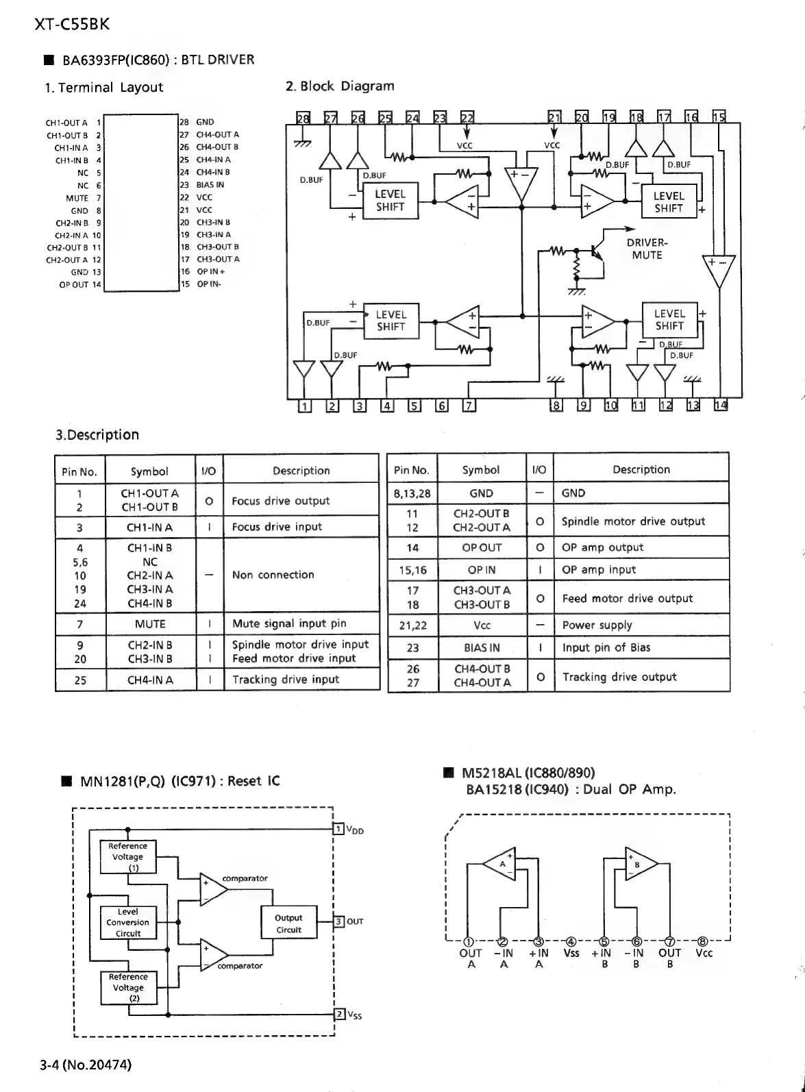
XT-C55BK
HE
BA6393FP(IC860)
:
BTL
DRIVER
1.
Terminal
Layout
2.
Block
Diagram
CH1-OUTA
1
28
GND
CH1-OUTB
2
27
CH4-OUTA
CHI-INA
3
26
CH4-OUTB
CHI-INB
4
25
CH4-INA
NC
5
24
CH4-INB
NC
6
23
BIAS
IN
MUTE
7
22
vec
GND
8
21
vec
CH2-INB
9
20
CH3-INB
CH2-INA
10 19
CH3-INA
CH2-OUTB
11
18
CH3-OUTB
DRIVER-
CH2-OUTA
12
17
CH3-OUTA
.
MUTE
GND
13
16
OPIN+
OP
OUT
14
15
OPIN-
3.Description
1
CH1-OUTA
Z
an
2
CH1-OUTB
ocus
drive
output
ae
CH1-INA
Focus
drive
input
4
CH1-INB
5,6
NC
10
CH2-INA
Non
connection
19
CH3-INA
24
CH4-IN
B
Ease
11
CH2-OUT
B
|
.
12
CH2-OUTA
Spindle
motor
drive
output
17
CH3-OUTA
18
CH3-OUT
B
Lo
ae
OP
amp
input
fanaa
[vec
[=
[rowersuppy
a
MUTE
Mute
signa!
input
pin
9
CH2-IN
B
Spindle
motor
drive
input
20
CH3-IN
B
Feed
motor
drive
input
Feed
motor
drive
output
BIAS
IN
Input
pin
of
Bias
26
CH4-OUT
B
:
F
27
CH4-OUTA
Tracking
drive
output
Tracking
drive
input
HM
M5218AL
(1C880/890)
m
MN1281(P
1):
Reset
|
MABE
UCP
neeek
tn
BA15218(IC940)
:
Dual
OP
Amp.
Reference
Voltage
q)
[te
tee
PT
A A A
B B
B
3-4
(No.20474)

Related product manuals