EasyManua.ls Logo

JVC CA-C55BK - IC Descriptions - Digital Servo & Signal Processor; MN662720 RB (IC810) Terminal Layout and Block Diagram

JVC CA-C55BK
144 pages
Print Icon
To Next Page IconTo Next Page
To Next Page IconTo Next Page
To Previous Page IconTo Previous Page
To Previous Page IconTo Previous Page
Loading...
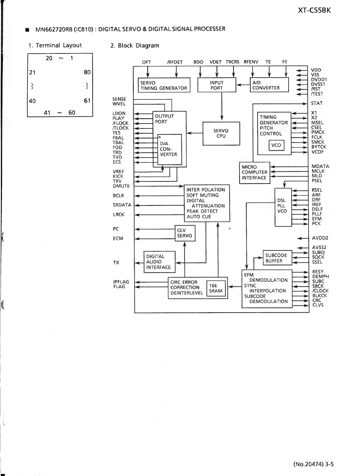
XT-C55BK
@
MN662720RB
(iC810)
:
DIGITAL
SERVO
&
DIGITAL
SIGNAL
PROCESSER
1.
Terminal
Layout
2.
Block
Diagram
OFT
/RFDET
BDO
VDET
TRCRS
RFENV
TE
FE
SERVO
INPUT
Ae
TIMING
GENERATOR
PORT
CONVERTER
TIMING
GENERATOR
PITCH
CONTROL
vco
RG
oe
Fe
ee
ella
gs
SOS
ES,
INTERFACE
INTER
POLATION
BCLK
SOFT
MUTING
SRDATA
ATTENUATION
PEAK
DETECT
LRCK
AUTO
CUE
PC
ECM
DIGITAL
AUDIO
INTERFACE
EFM
DEMPH
ek
ae
eran
DEMODULATION
SUBC
FLAG
CORRECTION
wes
ae
eel
nGn
rapek
VE
DEINTERLEVEL
SURGOBE
BLKCK
DEMODULATION
CRC
CLVS
(No.20474)
3-5

Related product manuals